Multi ролик фильма аксессуаров парника пяди для естественной используемой системы вентиляции
Описание ролика аксессуар-фильма парника
Моталка фильма парника электрическая стиль моталки фильма начатый от подъема ручной моталки фильма. Электрическая моталка фильма новое поколение оборудования вентиляции крена фильма парника и охлаждать, заменяя традиционную ручную моталку фильма для того чтобы достигнуть быстрой завальцовки, режим автоматического управления отпуска фильма и окружающую среду парника. Она имеет характеристики облегченного, большого вращающего момента выхода, само-запирая выход, высокую точность регулировки хода, большое потребление ряда регулировки, rainproof, анти--конденсации и низкой мощности. Соответствующее для пользы в различных климатических условиях и обыкновенно использовано в современных парниках. оборудование.
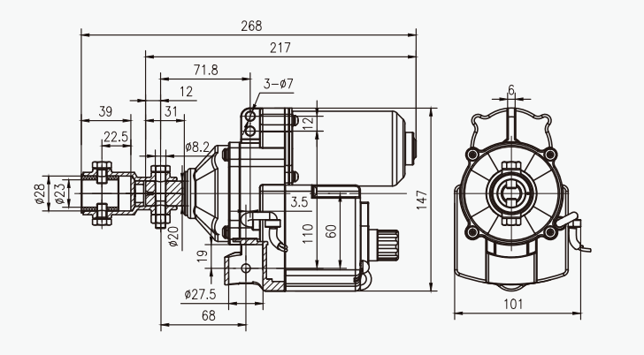
Электрическая моталка фильма использована для открытия и для того чтобы закрыть боковые окна и верхние окна парников полиэтиленовой пленки. Максимальная длина крена 100m, и вал привода принимает тонкостенную гальванизированную трубу Φ25*1.5.
Преимущество ролика аксессуар-фильма парника
Анти--misconnection, анти--перегрузка;
Конец вала выхода усилен;
Малошумный, высокий вращающий момент;
Точный располагать предела и более высокое само-запирая представление;
Смогите сразу быть соединено с электропитанием 220V переменного тока (AC),
Никакая потребность преобразовать электропитание или электропитание трансформатора, которое более удобно для установки и для использования и для уменьшения цен;
Обеспечьте 5 метров внешнего шнура питания, легких для того чтобы соединиться с распределительным ящиком, безопасный и надежный;
Со своими собственными отверстиями дренажа анти--конденсации, уровень защиты достигает IP55 (пылезащитный и водоустойчивый);
Гарантия на 3 лет
Спецификация ролика аксессуар-фильма парника
| Сила | Вращающий момент | Ход | длина завальцовки фильма | Гарантия |
| 40w | 45N.m | 4 m | ≤65 m | 3 лет |
| 60w | 60N.m | 4 m | ≤85m | 3 лет |
| 100w | 100N.m | 4 m | ≤100m | 3 лет |
| 120w | 120N.m | 4 m | ≤100m | 3 лет |
Детальная картина



Направление компании
Мы CO. технологии Сычуань Aixiang аграрные, ltd. Профессиональная компания парника основанная в провинции Чэнду Сычуань.
Мы обеспечиваем универсальное решение парника включая дизайн, продукцию, доставку, установку и вспомогательное обслуживание службы технической поддержки.
Наша фабрика была основана в 1995, с больше многолетний опыт чем 25, мы обеспечивает профессиональное обслуживание решения парника не только для клиентов но также для других поставщиков.
До теперь мы экспортировали наши продукт и технологию к много стран по всему миру, как США, Испания, Таиланд, Канада и так далее.
И в будущем мы будем держать наше первоначальное намерение помочь больше клиентов в делах парника и сдержать улучшить наши технологию и продукты для построения долгосрочного отношения с нашим клиентом.

вопросы и ответы
1. Вы изготовитель?
Да, мы изготовитель для типов парника на 20 лет.
С профессиональной командой инженера для соответствующего дизайна парника, полного обслуживания после-продажи и прямой связи с розничной торговлей фабрики для вас!
3. Как об упаковке и доставке?
A. Товары отмечены согласно их имени и части, аксессуары в коробку, трубы пачкой, все товары нагружают в
контейнер сразу (предложить вас для покупки всего контейнера так, что мы сможем волочить контейнер к нашей фабрике и нагружать хорошо все товары).
B. Мы обеспечиваем фото в реальном времени для вас для проверки нагружая, так, что вы сможете увидеть где товары штабелированы в контейнере
4. Там любые инструкция или ручная установка проводника?
A.Yes, английское руководство с чертежом погруженным вместе с товарами для направлять вашу установку легко.
Установка B.Engineer международная направляя доступна, также может направить вас онлайн.
Работник или инженер C.Your приветствованы к нашей фабрике для учить вашу установку парника.