

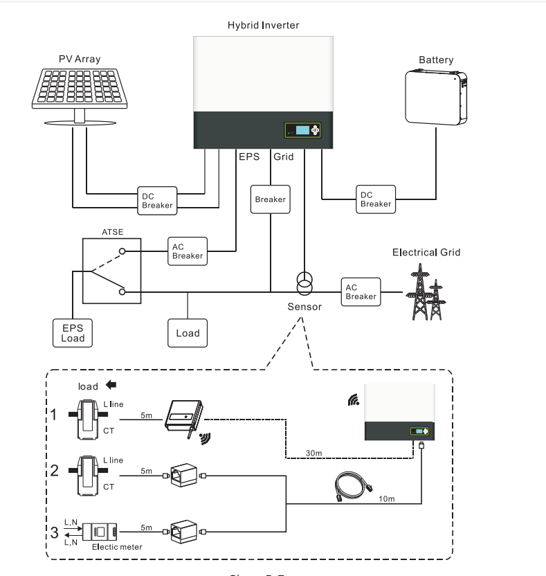
Гибридные солнечные энергетические системы - это гибридные энергетические системы, которые объединяют солнечную энергию из фотоэлектрической системы с другим источником энергии для производства энергии.Общим типом является фотоэлектрическая дизельная гибридная система, объединяющие фотоэлектрическую энергию (PV) и дизельные генераторы или дизельные генераторы, поскольку фотоэлектрическая энергия почти не имеет предельной стоимости и рассматривается в качестве приоритетного элемента в сети.Дизельные генераторы используются для постоянного заполнения разрыва между текущей нагрузкой и фактической выработанной мощностью фотоэлектрической системы.

| Компоненты | Гибридная Солнечная система - однофазная | |||
| Гибридный инвертор ((#/ KW) | FEN3000TL BL UP | FEN4000TL BL UP | FEN5000TL BL UP | FEN5000TL BL UP |
| Модуль Wifi/Gprs | 1 шт. | 1 шт. | 1 шт. | 1 шт. |
| Моно солнечная панель мощностью 480 Вт | 6 шт. | 8 шт. | 10 шт. | 15 шт. |
| ПВ кабель (м) | 200 метров. | 400 метров. | 400 метров. | 400 метров. |
|
Вместимость литиевой батареи LV (Обеспечительная свинцово-кислотная батарея) |
2.56 кВтч |
5.12 кВтч |
5.12 кВтч |
5.12 кВтч |
| Коннектор MC4 (пар) | 4 пары | 4 пары | 4 пары | 4 пары |
| Система крепления | Крыша или земля | Крыша или земля | Крыша или земля | Крыша или земля |
Подробная информация о продукции


Применение
