BK15 BF15 Шаровой винт с фиксированными концами поддержки с угловым шаровым подшипником
Способ установки опоры шарикового винта:
(1) прикреплен к натянутому пруту на фиксированной стороне.
(2) фиксированная сторона вставлена, затягивая клюшку, закрепленную блоком подушки и внутренними шестиугольными болтами.
3) поддерживающий боковой подшипник закрепляется на натянутом стволе с помощью стоп-кольца и загружается в блок подшипника.

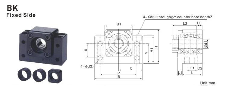
| Тип | d1 | Л | L1 | L2 | L3 | C1 | С2 | В. | H | b±0.02 | h±0.02 | В1 | H1 | Е | П | d2 | X | Y | Z |
| BK10 | 10 | 25 | 5 | 29 | 5 | 13 | 6 | 60 | 39 | 30 | 22 | 34 | 32.5 | 15 | 46 | 5.5 | 6.6 | 10.8 | 5 |
| BK12 | 12 | 25 | 5 | 29 | 5 | 13 | 6 | 60 | 43 | 30 | 25 | 34 | 32.5 | 18 | 46 | 5.5 | 6.6 | 10.8 | 1.5 |
| BK15 | 15 | 27 | 6 | 32 | 6 | 15 | 6 | 70 | 48 | 35 | 28 | 40 | 38 | 18 | 54 | 5.5 | 6.6 | 11 | 6.5 |
| BK17 | 17 | 35 | 9 | 44 | 7 | 19 | 8 | 86 | 64 | 43 | 39 | 50 | 55 | 28 | 68 | 6.6 | 9 | 14 | 8.5 |
| BK20 | 20 | 35 | 8 | 43 | 8 | 19 | 8 | 88 | 60 | 44 | 34 | 52 | 50 | 22 | 70 | 6.6 | 9 | 14 | 8.5 |
| BK25 | 25 | 42 | 12 | 54 | 9 | 22 | 10 | 106 | 80 | 53 | 48 | 64 | 70 | 33 | 85 | 9 | 11 | 17.5 | 11 |
| BK30 | 30 | 45 | 14 | 61 | 9 | 23 | 11 | 128 | 89 | 64 | 51 | 76 | 78 | 33 | 102 | 11 | 14 | 20 | 13 |
| BK35 | 35 | 50 | 14 | 67 | 12 | 26 | 12 | 140 | 96 | 70 | 52 | 88 | 79 | 35 | 114 | 11 | 14 | 20 | 13 |
| BK40 | 40 | 61 | 18 | 76 | 15 | 33 | 14 | 160 | 110 | 80 | 60 | 100 | 90 | 37 | 130 | 14 | 18 | 26 | 17.5 |

| Тип | d1 | Л | В. | H | b±0.02 | h±0.02 | В1 | H1 | Е | П | d2 | X | Y | Z |
| BF10 | 8 | 20 | 60 | 39 | 30 | 22 | 34 | 32.5 | 15 | 46 | 5.5 | 6.6 | 10.8 | 5 |
| BF12 | 10 | 20 | 60 | 43 | 30 | 25 | 34 | 32.5 | 18 | 46 | 5.5 | 6.6 | 10.8 | 1.5 |
| BF15 | 15 | 20 | 70 | 48 | 35 | 28 | 40 | 38 | 18 | 54 | 5.5 | 6.6 | 11 | 6.5 |
| BF17 | 17 | 23 | 86 | 64 | 43 | 39 | 50 | 55 | 28 | 68 | 6.6 | 9 | 14 | 8.5 |
| BF20 | 20 | 26 | 88 | 60 | 44 | 34 | 52 | 50 | 22 | 70 | 6.6 | 9 | 14 | 8.5 |
| 25 франков | 25 | 30 | 106 | 80 | 53 | 48 | 64 | 70 | 33 | 85 | 9 | 11 | 17.5 | 11 |
| BF30 | 30 | 32 | 128 | 89 | 64 | 51 | 76 | 78 | 33 | 102 | 11 | 14 | 20 | 13 |
| BF35 | 35 | 32 | 140 | 96 | 70 | 52 | 88 | 79 | 35 | 114 | 11 | 14 | 20 | 13 |
| BF40 | 40 | 37 | 160 | 110 | 80 | 60 | 100 | 90 | 37 | 130 | 14 | 18 | 26 | 17.5 |
Поддерживающий блок представлен в шести типах: модели EK, FK, EF и FF, которые стандартизированы для стандартной сборки шарового винта с готовыми концами вала, и модели BK и BF,которые стандартизированы для шаровых винтов в целомПодпорный блок на фиксированной стороне содержит высокоточный угловой контактный шарикоподшипник класса 5 JIS с регулируемой предварительной нагрузкой.