VRB представляет собой коробку передач с скоростью < 3 минуты дуги, которая предлагает конструкцию для установки через отверстие.что облегчает сборку на различное оборудованиеЭтот продукт идеально подходит для различных применений ремневого привода и привода, которые можно найти на рынках автоматизации упаковки и сборки ячеек.
Различные стандартные варианты стирки и пищевого качества доступны, что делает VRB привлекательным выбором для самых суровых условий.с немедленной доступностью на большинстве конфигурацийРазмеры установки, установленные в отрасли, позволяют использовать VRB в устаревших конструкциях оборудования, экономия времени и денег наших клиентов.
|
Рама Размер |
Этап | Соотношение | Номинальный выходной крутящий момент | Максимальный выходной крутящий момент | Аварийный крутящий момент остановки | Номинальная скорость ввода | Максимальная скорость ввода | Разрешенная радиальная нагрузка | Допустимая осевая нагрузка |
| [Nm] | [Nm] | [Nm] | [rpm] | [rpm] | [N] | [N] | |||
|
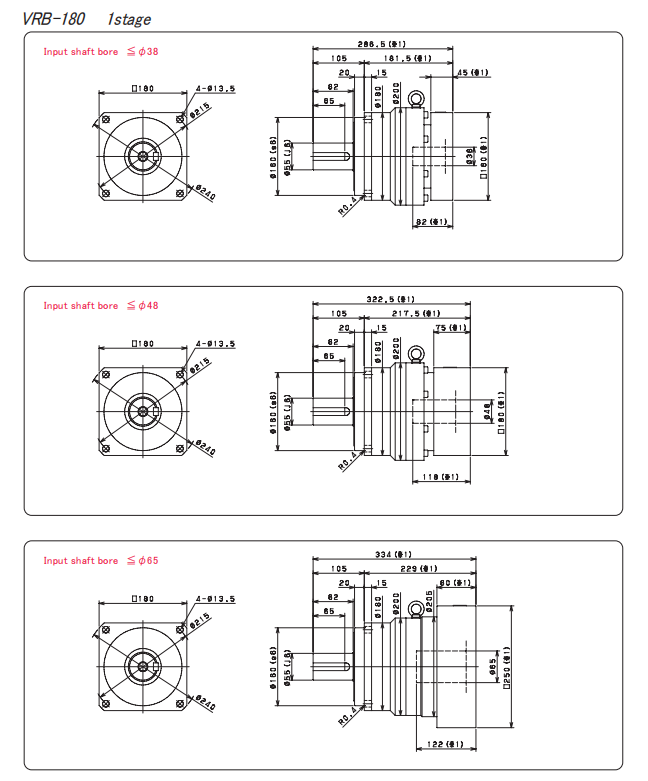
180 |
1 Одинокий |
3 | 500 | 970 | 2200 | 1500 | 3000 | 5600 | 4300 |
| 4 | 750 | 1400 | 2750 | 1500 | 3000 | 6200 | 4900 | ||
| 5 | 750 | 1400 | 2750 | 1500 | 3000 | 6700 | 5400 | ||
| 6 | 750 | 1400 | 2750 | 1500 | 3000 | 7100 | 5800 | ||
| 7 | 750 | 1400 | 2750 | 1500 | 3000 | 7400 | 6300 | ||
| 8 | 750 | 1400 | 2750 | 1500 | 3000 | 7800 | 6600 | ||
| 9 | 500 | 970 | 2200 | 1500 | 3000 | 8100 | 7000 | ||
| 10 | 500 | 970 | 2200 | 1500 | 3000 | 8400 | 7300 | ||
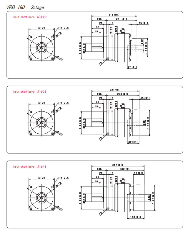
| Двойной. | 15 | 500 | 970 | 2200 | 1500 | 3000 | 9600 | 8700 | |
| 16 | 750 | 1400 | 2750 | 1500 | 3000 | 9800 | 8900 | ||
| 20 | 750 | 1400 | 2750 | 1500 | 3000 | 11000 | 9900 | ||
| 25 | 750 | 1400 | 2750 | 1500 | 3000 | 11000 | 11000 | ||
| 28 | 750 | 1400 | 2750 | 1500 | 3000 | 12000 | 11000 | ||
| 30 | 500 | 970 | 2200 | 1500 | 3000 | 12000 | 12000 | ||
| 35 | 750 | 1400 | 2750 | 1500 | 3000 | 13000 | 13000 | ||
| 40 | 750 | 1400 | 2750 | 1500 | 3000 | 13000 | 13000 | ||
| 45 | 500 | 970 | 2200 | 1500 | 3000 | 14000 | 14000 | ||
| 50 | 750 | 1400 | 2750 | 1500 | 3000 | 14000 | 14000 | ||
| 60 | 750 | 1400 | 2750 | 1500 | 3000 | 15000 | 14000 | ||
| 70 | 750 | 1400 | 2750 | 1500 | 3000 | 15000 | 14000 | ||
| 80 | 750 | 1400 | 2750 | 1500 | 3000 | 15000 | 14000 | ||
| 90 | 500 | 970 | 2200 | 1500 | 3000 | 15000 | 14000 | ||
| 100 | 500 | 970 | 2200 | 1500 | 3000 | 15000 | 14000 |
|
Размер |
Этап |
Соотношение |
Максимальная радиальная нагрузка |
Максимальная осевая нагрузка |
Вес |
Момент инерции (φ19) | Момент инерции28) | Момент инерции (φ38) | Момент инерции (φ48) |
| [N] | [N] | [kg] | [kgcm2] | [kgcm2] | [kgcm2] | [kgcm2] | |||
|
180 |
1 Одинокий |
3 | 15000 | 14000 | 36 | - | 44 | 66 | 130 |
| 4 | 15000 | 14000 | - | 28 | 50 | 110 | |||
| 5 | 15000 | 14000 | - | 22 | 44 | 100 | |||
| 6 | 15000 | 14000 | - | 18 | 41 | 100 | |||
| 7 | 15000 | 14000 | - | 16 | 38 | 99 | |||
| 8 | 15000 | 14000 | - | 15 | 37 | 97 | |||
| 9 | 15000 | 14000 | - | 14 | 36 | 97 | |||
| 10 | 15000 | 14000 | - | 14 | 36 | 96 | |||
|
2 Двойной. |
15 | 15000 | 14000 | 37 | 4.7 | 12 | 34 | - | |
| 16 | 15000 | 14000 | 5.4 | 13 | 35 | - | |||
| 20 | 15000 | 14000 | 4.4 | 12 | 34 | - | |||
| 25 | 15000 | 14000 | 4.2 | 12 | 34 | - | |||
| 28 | 15000 | 14000 | 4.9 | 13 | 35 | - | |||
| 30 | 15000 | 14000 | 3.2 | 11 | 33 | - | |||
| 35 | 15000 | 14000 | 4.0 | 12 | 34 | - | |||
| 40 | 15000 | 14000 | 3.1 | 11 | 33 | - | |||
| 45 | 15000 | 14000 | 4.0 | 12 | 34 | - | |||
| 50 | 15000 | 14000 | 3.1 | 11 | 33 | - | |||
| 60 | 15000 | 14000 | 3.1 | 11 | 33 | - | |||
| 70 | 15000 | 14000 | 3.1 | 11 | 33 | - | |||
| 80 | 15000 | 14000 | 3.1 | 11 | 33 | - | |||
| 90 | 15000 | 14000 | 3.1 | 11 | 33 | - | |||
| 100 | 15000 | 14000 | 3.1 | 11 | 33 | - |


1Полный диапазон: прямая зубная коробка передач и спиральная коробка передач.
2- прямые зубчатые коробки передач более эффективны, а спиральные коробки передач имеют более длительный срок службы.
3Соответствует стандартам качества ISO 9001:2015 и экологическим стандартам ISO 14001.
4У нас есть всеобъемлющая доставка и послепродажная служба, чтобы обеспечить качество нашей продукции.
5Если вам нужно большое количество покупок, вы можете связаться с нами, чтобы получить льготные цены.