Рама VRL 90 представляет собой компактную и экономически эффективную высокоточную коробку передач, идеально подходящую для применения сервомоторами, такими как порталы, машины для формования путем впрыска, автоматизация выбора и размещения и линейные скольжения.Эта встроенная коробка передач имеет стандартные размеры монтажа в отрасли и стиль монтажа с натяжкой.
Ценная альтернатива для приложений, требующих высокой точности положения и динамических характеристик.что облегчает сборку на различное оборудованиеЭтот продукт идеально подходит для различных применений ремневого привода и привода, которые можно найти на рынках автоматизации упаковки и сборки ячеек.
Рама Размер |
Этап |
Соотношение |
Номинальный выходной крутящий момент |
Максимальная выходной крутящий момент |
Чрезвычайная ситуация крутящий момент остановки |
Номинальный скорость ввода |
Максимальная инпУt скорость |
Разрешено радиальная нагрузка |
Разрешено осевая нагрузка |
|||
| [Nm] | [Nm] | [Nm] | [rpm] | [rpm] | [N] | [N] | ||||||
| 090B | Одинокий |
3 | 50 | 80 | 200 | 3000 | 6000 | 810 | 930 | |||
| 4 | 75 | 125 | 250 | 3000 | 6000 | 890 | 1100 | |||||
| 5 | 75 | 125 | 250 | 3000 | 6000 | 960 | 1200 | |||||
| 6 | 75 | 125 | 250 | 3000 | 6000 | 1000 | 1300 | |||||
| 7 | 75 | 125 | 250 | 3000 | 6000 | 1100 | 1300 | |||||
| 8 | 75 | 125 | 250 | 3000 | 6000 | 1100 | 1400 | |||||
| 9 | 50 | 80 | 200 | 3000 | 6000 | 1200 | 1500 | |||||
| 10 | 50 | 80 | 200 | 3000 | 6000 | 1200 | 1600 | |||||
Двойной. |
15 | 50 | 80 | 200 | 3000 | 6000 | 1400 | 1900 | ||||
| 16 | 75 | 125 | 250 | 3000 | 6000 | 1400 | 1900 | |||||
| 20 | 75 | 125 | 250 | 3000 | 6000 | 1500 | 2100 | |||||
| 25 | 75 | 125 | 250 | 3000 | 6000 | 1600 | 2200 | |||||
| 28 | 75 | 125 | 250 | 3000 | 6000 | 1700 | 2200 | |||||
| 30 | 50 | 80 | 200 | 3000 | 6000 | 1700 | 2200 | |||||
| 35 | 75 | 125 | 250 | 3000 | 6000 | 1800 | 2200 | |||||
| 40 | 75 | 125 | 250 | 3000 | 6000 | 1900 | 2200 | |||||
| 45 | 50 | 80 | 200 | 3000 | 6000 | 2000 | 2200 | |||||
| 50 | 75 | 125 | 250 | 3000 | 6000 | 2100 | 2200 | |||||
| 60 | 75 | 125 | 250 | 3000 | 6000 | 2200 | 2200 | |||||
| 70 | 75 | 125 | 250 | 3000 | 6000 | 2300 | 2200 | |||||
| 80 | 75 | 125 | 250 | 3000 | 6000 | 2400 | 2200 | |||||
| 90 | 50 | 80 | 200 | 3000 | 6000 | 2400 | 2200 | |||||
| 100 | 50 | 80 | 200 | 3000 | 6000 | 2400 | 2200 | |||||
FРамаe Размер |
Этап |
Соотношение |
Максимальная раДиаЯ загружаю. |
Максимальная осевая нагрузка |
Вес |
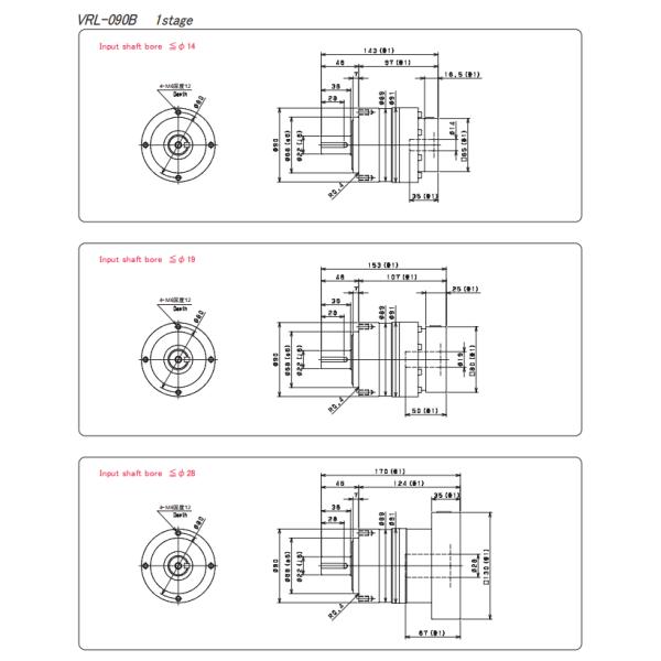
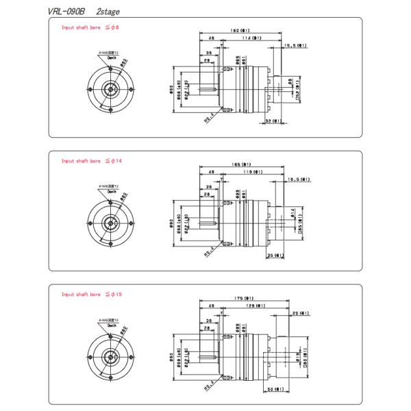
Минуточку. инерции (≤φ8) |
Минуточку. инерции (≤φ14) |
Минуточку. инерции (≤φ19) |
Минуточку. ofинерция (≤φ28) |
|||
| [N] | [N] | [kg] | [kgcm2] | [kgcm2] | [kgcm2] | [kgcm2] | ||||||
| 090B | 1段 Одинокий |
3 | 2400 | 2200 | 3.5 | 一 | 0.72 | 1.2 | 3.2 | |||
| 4 | 2400 | 2200 | 一 | 0.49 | 0.95 | 3.0 | ||||||
| 5 | 2400 | 2200 | 一 | 0.40 | 0.86 | 2.9 | ||||||
| 6 | 2400 | 2200 | 一 | 0.36 | 0.82 | 2.8 | ||||||
| 7 | 2400 | 2200 | 一 | 0.32 | 0.79 | 2.8 | ||||||
| 8 | 2400 | 2200 | 一 | 0.31 | 0.77 | 2.8 | ||||||
| 9 | 2400 | 2200 | 一 | 0.29 | 0.76 | 2.8 | ||||||
| 10 | 2400 | 2200 | 一 | 0.29 | 0.75 | 2.8 | ||||||
| 2段 Двойной. |
15 | 2400 | 2200 | 4 | 0.13 | 0.28 | 0.72 | 一 | ||||
| 16 | 2400 | 2200 | 0.15 | 0.30 | 0.74 | 一 | ||||||
| 20 | 2400 | 2200 | 0.13 | 0.28 | 0.72 | 一 | ||||||
| 25 | 2400 | 2200 | 0.12 | 0.28 | 0.71 | 一 | ||||||
| 28 | 2400 | 2200 | 0.14 | 0.29 | 0.73 | 一 | ||||||
| 30 | 2400 | 2200 | 0.10 | 0.25 | 0.70 | 一 | ||||||
| 35 | 2400 | 2200 | 0.12 | 0.27 | 0.71 | 一 | ||||||
| 40 | 2400 | 2200 | 0.099 | 0.25 | 0.70 | 一 | ||||||
| 45 | 2400 | 2200 | 0.12 | 0.27 | 0.71 | 一 | ||||||
| 50 | 2400 | 2200 | 0.098 | 0.25 | 0.69 | 一 | ||||||
| 60 | 2400 | 2200 | 0.098 | 0.25 | 0.69 | 一 | ||||||
| 70 | 2400 | 2200 | 0.097 | 0.25 | 0.69 | 一 | ||||||
| 80 | 2400 | 2200 | 0.097 | 0.25 | 0.69 | 一 | ||||||
| 90 | 2400 | 2200 | 0.097 | 0.25 | 0.69 | 一 | ||||||
| 100 | 2400 | 2200 | 0.097 | 0.25 | 0.69 | 一 | ||||||


Тихая работа: спиральные редукторы способствуют снижению вибрации и шума.
Высокая точность: стандартная обратная реакция составляет 5 дуговых минут, идеально подходит для точного управления.
Высокая жесткость и крутящий момент: высокая жесткость и высокий крутящий момент были достигнуты безклеточными игольными роликовыми подшипниками.
Подключение адаптера: может быть подключено к любому двигателю по всему миру.
Нет утечки жира: идеальное решение с использованием высокой вязкости антисепарационного жира.
Без технического обслуживания: не требуется замена масла в течение всего срока службы устройства.
Можно прикрепить в любом положении.