кодировщики стеклянного масштаба 0.1µm оптически линейные для машины токарного станка

Серия EA имеет экран LCD цвета 7 дюймов которая обеспечивает неактивный графический дисплей и наведение постепенной деятельности графическое для всех функций DRO, которое делает EA-926 весьма дружественный, позволяет операторам может снабдить полностью сильную функцию DRO в пределах немногих минут после переключателя на DRO.
Цель: Она соответствуется различным датчикам для измерять на механических инструментах и показа измеренных результатов в цифровой форме.

Параметр продуктов
| Центризовать (1/2) |
| Метрический/дюйм дисплея (mm/дюйм) |
| Абсолютный/дифференциальный (ABS/INC) |
| Память выключения (subdatum 30) |
| subdatum 199 |
| Память ссылки (REF) |
| Нул |
| Диаметр круга тангажа (PCD) |
| Линия располагать отверстия (LHOLE) |
| Простая функция «r» |
| Ровная функция «r» |
| Линейная компенсация ошибки |
| Не линейная компенсация ошибки |
| ВКЛЮЧЕНИЕ функции |
| Дисплей скорости оси |
| Цвет предпосылки дисплея |
Закрытые линейные кодировщики могут эффектно предотвратить пыль, обломоки и смазочно-охлаждающую жидкость выплеска, которая идеальна для механических инструментов

Оптически линейный масштаб | Линейный масштаб | Оптически стеклянная спецификация масштаба
| GS10 | GS11 | GS12 | GS13 | GS30 | GS31 | GS32 | GS33 | ||
| Измеряя стандарт | Стеклянный масштаб - период скрежетать: 20μm (0.02mm) | ||||||||
| Оптически обнаруживая система | Transmissive ультракрасная система: длина волны 880mm | ||||||||
| Система на несущей частоте скольжения | Вертикальная система поддержки 5 подшипников | Вертикальная система поддержки 5 подшипников | |||||||
| Разрешение | 5μm | 1μm | 5μm | 1μm | 5μm | 1μm | 5μm | 1μm | |
| Перемещение измерения | 100-1200mm | Каждые 50mm в спецификации длины. | Каждые 50mm в спецификации длины. | ||||||
| 1300-3000mm | Не доступный | Каждые 50mm в спецификации длины. до 500mm | |||||||
| Точность | 100-450mm | ±8μm | ±5μm | ±8μm | ±5μm | ±8μm | ±5μm | ±8μm | ±5μm |
| 500-800mm | ±10μm | ±8μm | ±10μm | ±8μm | -- | ||||
| 1050-2000mm | -- | -- | -- | -- | -- | ||||
| 1300-3000mm | -- | -- | |||||||
| Повторимость | 2μm (0.002mm) | ||||||||
| Hystersis | 3μm (0.003mm) | ||||||||
| Защита | IP 53 | ||||||||
| Электропитание | ± 5% DC 5V | ||||||||
| Выходной сигнал | TTL | TTL | 422 | 422 | TTL | TTL | 422 | 422 | |
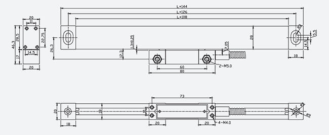
Размеры установки
Серия GS10/GS11/GS12/GS13

Серия GS30/GS31/GS32/GS33

DSUB 9PIN
| PIN | TTL | 422A | ||
| Сигнал | Кабель | Сигнал | Кабель | |
| 1 | -- | -- | A | Желтый цвет |
| 2 | 0V | Апельсин | 0V | Белый |
| 3 | -- | -- | B- | Красный |
| 4 | GND | GND | GND | GND |
| 5 | -- | -- | R- | Черный |
| 6 | Желтый цвет | Зеленый цвет | ||
| 7 | 5V | Красный | 5V | Браун |
| 8 | B | Зеленый цвет | B | Синь |
| 9 | R | Браун | R | Серый цвет |
Тарировка 100% лазера

Easson каждый линейный масштаб проходило неукоснительный осмотр и испытание лазера, и может обеспечить отчеты по испытанию точности для обеспечения качества продукции и качественного traceability.