Параметры:
| Деталь | Номер модели | Примечание |
| Нормальная емкость | 120ah | 0.5CA discharge>= 120Ah |
| Нормальное напряжение тока | 3.2V | |
| Внутреннее сопротивление | ≤0.6mΩ | |
| Жизнь цикла | 2500 раз | |
| Разрядка кончая напряжение тока | 2.8V | |
| Стандартное поручая течение | 24A | 0.2CA (24A поручая к 3.65V) |
| Зарядное напряжение | 3.65V | |
| Максимальное напряжение тока обязанности | 3.70V | |
| Максимальное постоянн течение обязанности | 120A | |
| Максимальный постоянн разряд тока | 120A | |
| Вес | 2.8KG +-100 g |
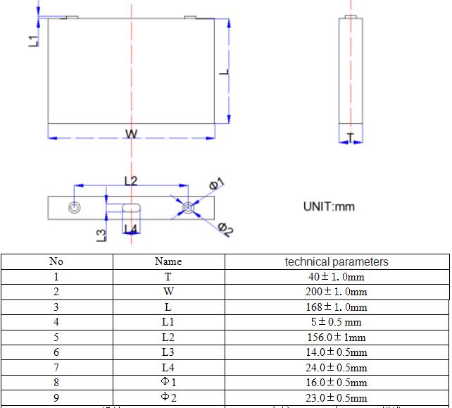
Чертеж размера CATL LFP 120AH:
Размер:
Толщина: 41mm
Ширина: 201 mm
Высота: 169mm


ПРИМЕЧАНИЕ: Этот бар клетки QR был поцарапан, потому что это согласование с изготовлением CATL.
Это медные шинопроводы размер, сперва соединяет последовательно, во-вторых соединяет параллельно.
Все медные шинопроводы 2mm--толщина
Вся батарея прежде чем пересылка начнет 5-7 дней испытывает: как напряжение тока, емкость, внутреннее сопротивление.
Так после того как мы получаем вашу передачу, нужны 7-10 дней смогите доставка оно к вам.
Также, вся батарея согласно банку клиента будет соответствовать группе, как 16S 48V,
После этого выберет самое лучшее 16pcs такая же батарея представления к вам.
этим могут сделать ваш банк батареи имеют самое лучшее представление, почти такие же напряжение тока, емкость и внутреннее сопротивление.
Это один из клиента от ЕС отправить нами обратную связь.

Около грузящ:
Для ЕС, клиенты США и AU, могут выбрать обслуживание DDP.
DDP: дверь к dleivery двери, налогу включила, никакие таможни, большинств важное самое дешевое и налог включил.
Литий-ионный аккумулятор тяжеловесен, принадлежит опасным товарам, которым нужна более высокая цена чем обычным товарам UPS/FEDEX.
Для другого клиента стран, смогите грузить его шлюпкой/воздухом/срочным.
Детали могут разговаривать с нами.
Около пакующ:
Батарея легкие поврежденная во время пересылки, поэтому нужна хорошая упаковка, такая внутренность с больше пены и внешняя коробка коробки толщины пользы.
Для некоторой более большой и тяжелой батареи, мы используем изготовленную на заказ пакуя коробку коробки.

О гарантии:
Международное sihpping дорого стоит гонорара и ned более длинное время,
Если клетки повредили или потеряли или качество имеет проблему, то мы предложим вам нескольким решение для того чтобы сделать вас удовлетворенный.
Настолько хороший после того как обслуживание будет должно быть ваше рассматривать актер во время покупать, а не как раз цена.

Больший часть из клиента выбирает эту батарею как их солнечный банк для домашнего накопления энергии.
Также, низкооборотное EV популярно, как электрический велосипед, скутеры, электротранспорт 3-колеса, шлюпка….
Кстати, нам также имеем BMS, вся задняя часть литий-ионного аккумулятора нужно использовать BMS.
Deligreen может предложить u вершин одн обслуживание для батареи, BMS, активного балансера и заряжателя.
Ваше дознание сделает нас лучший, радушный, весь из друга.
Все вопросы или проблемы приветствуют позволили нам знать.
Имя апреля приходя от моего рожденного месяца, прежде чем я имею нескольк английское имя, только я не удовлетворены.
до настоящего времени, апрель стать моим окончательным английским именем.
Весна значит надежду, премудрость и красивый, используйте это имя пожелайте моя жизнь улучшает и улучшает.
Апрель трудолюбивое, умная и оптимистическая китайская девушка, некоторые клиенты всегда говорила до апреля: обслуживание быстрой реакции, профессиональных и хороших, LOL.




