Батарея блока батарей 3.6v 6800mah хлорида thionyl лития ER17505 Не-перезаряжаемые
основная клетка размера катушкы a хлорида лити-thionyl 3.6V (Li-SOCl2)
Тип батареи хлорида thionyl лития имеет хлорид анода и thionyl металла лития (SOCl2) как активные деполяризатор катода и растворитель электролита.
Промышленная батарея хлорида Thionyl лития размера a соответствующая для аппаратур и specilaised оборудования.
Пожалуйста примечание:
Это не перезаряжаемые батарея. Не попытайтесь перезарядить эту батарею используя любой тип заряжателя батареи.
Совместимые модели батареи:
ER17505, A, SB-A01, LS17500, ER17/50
Спецификации:
Номинальное напряжение: 3.6v
Номинальная емкость: 3.6ahr (3600mah)
Размер: Размер
Размеры: 50.25mm (l) x 16.8mm (диаметр)
Бренд: Родовой
Химия: Хлорид Thionyl лития (Li-SCOCI2)
(ER17505)
О Lisocl2 батареях 3.6V
Химия батареи: Батареи хлорида Лити-Thionyl (Li-SOCL2);
Не-перезаряжаемые клетка;
Клетка основного лития ER цилиндрическая
•Высокое & стабилизированное напряжение тока деятельности: 3,6 вольта
•от 1/2AA к формату DD
•Плотность высокой энергии
•Весьма - низкий тариф разрядки более менее чем 2% в год
•Широкое °C °C ~85 температурной амплитуды рабочей температуры -55
•срок годности при хранении 10 год
Фактическая продолжительность жизни батареи поменяет в зависимости от условий как разряд тока и температура.
•Конфигурации дизайна блока батарей поддержек различные
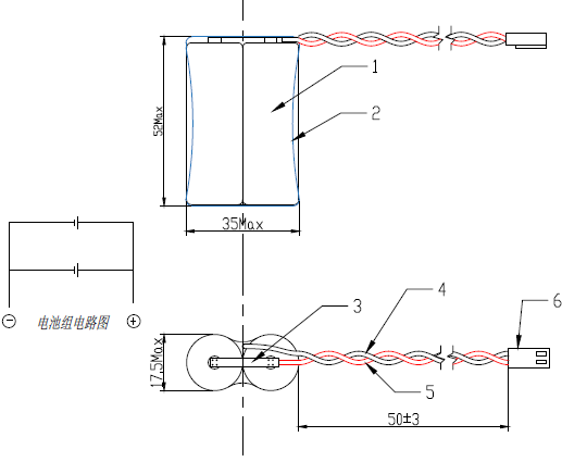
Чертеж батареи лития ER17505:


3.6V данные по батареи ER17505 технические:
| Имя | Батарея хлорида Thionyl лития |
| Модель | ER17505 |
| Размер | |
| Номинальная емкость (3mA~2V) | 3,4 ах @ одиночная камера блок батарей 6800mah @ 2P |
| Расклассифицированное напряжение тока | 3,6 v |
| Максимальное постоянн течение разрядки | 120 мам |
| Максимальный разряд тока (ИМП ульс) | 200 мам |
| Вес | 25 g |
| Температурная амплитуда рабочей температуры | -55℃~+85℃ |
| (Порекомендованная) температура хранения | +30℃ |
Применение:

1)С высоко-работая напряжением тока и конюшней
2)Независимый представления от ориентации клетки
3)Главные продолжительность жизни и надежность полки: над 10 летами на тарифе комнатной температуры и саморазряжения <1>
4)Тип и самое лучшее энергии структуры катушкы одетые для низкого уровня и разряда тока
5)Май требует депассивирования перед средними течениями
6)Типичные значения по отношению к клеткам, который хранят для одного года или на 30°C
7)Добавляющ пятно, сваривая провод, сваривая штепсельная вилка, ярлык В ПОРЯДКЕ
Батарея лития 3.6v:
| Модель | напряжение тока (v) | емкость (mAh) | demension (mm) | Номинальный разряд тока (мамы) | вес (g) | |
| Диаметр | Высота | |||||
| ER10250 | 3,6 | 400 | 10,5 | 25 | 0,5 | 5 |
| ER10280 | 3,6 | 450 | 10,5 | 28 | 0,5 | 6 |
| ER10450 | 3,6 | 700 | 10,5 | 45 | 1 | 8 |
| ER14250 | 3,6 | 1200 | 14,5 | 25,4 | 1 | 10 |
| ER14335 | 3,6 | 1600 | 14,5 | 33,5 | 1 | 12 |
| ER14505 | 3,6 | 2400 | 14,5 | 50,5 | 2 | 19 |
| ER17335 | 3,6 | 1800 | 17,5 | 34 | 3 | 18 |
| ER17505 | 3,6 | 3200 | 17,5 | 50,5 | 3 | 26 |
| ER18505 | 3,6 | 3600 | 18,7 | 50,5 | 3 | 28 |
| ER26500 | 3,6 | 9000 | 26,2 | 50 | 4 | 52 |
| ER34320 | 3,6 | 8000 | 34,2 | 32,5 | 4 | 58 |
| ER34615 | 3,6 | 19000 | 34,2 | 61,5 | 5 | 100 |
| ER341245 | 3,6 | 36000 | 34,2 | 124,5 | 10 | 195 |
| ER14250M | 3,6 | 800 | 14,5 | 25,4 | 2 | 10 |
| ER14335M | 3,6 | 1300 | 14,5 | 33,5 | 3 | 13 |
| ER14505M | 3,6 | 2200 | 14,5 | 50,5 | 4 | 19 |
| ER17505M | 3,6 | 2800 | 17,5 | 50,5 | 5 | 27 |
| ER18505M | 3,6 | 3200 | 18,7 | 50,5 | 5 | 28 |
| ER26500M | 3,6 | 6500 | 26,2 | 50 | 10 | 52 |
| ER34615M | 3,6 | 14000 | 34,2 | 61,5 | 15 | 100 |
| ER13150S | 3,6 | 300 | 13,2 | 15 | 0,5 | 6 |
| ER14250S | 3,6 | 750 | 14,5 | 25,2 | 1 | 10 |
| ER14505S | 3,6 | 1600 | 14,5 | 50,5 | 2 | 20 |
| ER26500S | 3,6 | 4100 | 26,2 | 50 | 4 | 60 |
| ER34615S | 3,6 | 10500 | 34,2 | 61,5 | 5 | 106 |
| ER2450 | 3,6 | 500 | 24,5 | 5,9 | 1 | 9 |
| ER32100 | 3,6 | 1700 | 32,9 | 10 | 1 | 25 |
| ER3265 | 3,6 | 1000 | 32,9 | 6,5 | 1 | 17 |
| ER9V | 10,8 | 1200 | 17*26.3*48.5 | 1 | 30 | |
| EF651615 | 3,6 | 400 | 16.8*15.8*6.8 | 1 | 5 | |
| EF651625 | 3,6 | 750 | 16.8*25.8*6.8 | 1 | 8 | |
| Примечание: 1) тип силы «m» -; 2) температура «s» высотой с; | ||||||