Основные фитинги для изоляторов высоковольтных линий
Линия пост изолятор конечный фитинг
1.Применяемый стандарт:IEC61952,ISO1461
2Материал: сталь HDG.
3Поверхностная обработка: HDG с толщиной цинка более 86 мкм.

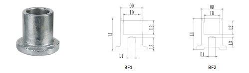
| Нет, нет, нет. | Код продукции | Тип |
L1 (мм) |
L2 (мм) |
Слишком много (мм) |
Идентификация (мм) |
Диаметр основания (мм) |
D1 (мм) |
| 1 | BF1-50-M12-24-001 | BF1 | 75 | 45 | 32 | 24 | 50 | M12*25 |
| 2 | BF1-56-M24-34-001 | BF1 | 75 | 40 | 48 | 34 | 56 | M24*25 |
| 3 | BF1-60-M24-34-001 | BF1 | 65 | 32 | 48 | 34 | 60 | M20*25 |
| 4 | BF1-70-M16-34-001 | BF1 | 60 | 32 | 45 | 34 | 70 | M16*20 |
| 5 | BF1-75-M20-34-001 | BF1 | 73.5 | 40.5 | 48 | 34 | 75 | M16*25 |
| 6 | BF1-56-M20-36-001 | BF1 | 75 | 40 | 48 | 36 | 56 | M20*25 |
| 7 | BF1-76-M22-38-001 | BF1 | 80 | 40 | 54 | 38 | 76 | M22*32 |
| 8 | BF1-110-M24-38-001 | BF1 | 90 | 43 | 57 | 38 | 110 | M24*25 |
| 9 | BF1-76-M20-40-001 | BF1 | 80 | 34 | 54 | 40 | 76 | M20*25 |
| 10 | BF1-63-M20-45-001 | BF1 | 75 | 40 | 56 | 45 | 63 | M20*25 |
| 11 | BF1-90-M20-50-001 | BF1 | 96 | 50 | 64 | 50 | 90 | M20*30 |
| 12 | BF2-114-M20-34-001 | BF2 | 101.5 | 49 | 46 | 34 | 114 | M20*32 |
| 13 | BF2-114-M20-40-001 | BF2 | 101.5 | 49 | 52 | 40 | 114 | M20*32 |
| 14 | BF2-113-M20-44-001 | BF2 | 101.5 | 49 | 56 | 44 | 114 | M20*32 |
| 15 | BF2-113-M20-45-001 | BF2 | 108 | 67 | 63 | 45 | 113 | M20*23 |
| 16 | BF2-113-M20-50-001 | BF2 | 118 | 60 | 62 | 50 | 113 | M20*30 |
| 17 | BF2-150-M24-68-001 | BF2 | 140 | 88 | 90 | 68 | 150 | M24*32 |

| Нет, нет, нет. | Код продукции | Тип |
L1 (мм) |
L2 (мм) |
L3 (мм) |
Слишком много (мм) |
ID ((мм) |
Шнур S*L4 (мм) |
| 1 | BF3-M10-25-18-001 | BF3 | 55 | 30 | 25 | 29 | 18 | M10*25 |
| 2 | BF3-M18-80-36-001 | BF3 | 129 | 149 | 39 | 52 | 36 | M18*80 |
| 3 | BF3-M22-175-38-001 | BF3 | 223 | 48 | 40 | 50 | 38 | M22*175 |
| 4 | BF3-M18-80-45-001 | BF3 | 135 | 47 | 155 | 63 | 45 | M18*80 |

| Нет, нет, нет. | Код продукции | Тип |
L1 (мм) |
L3 ((мм) |
Слишком много (мм) |
ID ((мм) |
Дверь Диаметр (мм) |
Расстояние до отверстия (мм) |
Расстояние до Клевиса (мм) |
| 1 | BF4-60-49-68-001 | BF4 | 159 | 99 | 86 | 68 | 4-Φ24 | 60 | 49 |