берег машины для определения твердости иглы давления 1.25mm для резины
Пользы
Этот тестер использован для испытывать твердость вулканизированных резиновых и пластичных продуктов.
Характеристики
1. Обмундирование датчика дурометра установлено на верхнюю часть шкафа.
2. Более удобно работать и результат теста больше точности. Также смогите принять вниз обмундирование датчика и
испытайте когда продукция.
Стандарты
GB/T531, GB2411, ASTM D 2240-5, JISK 6253-2006, ISO 7619-1-2004, JJG 304-2003
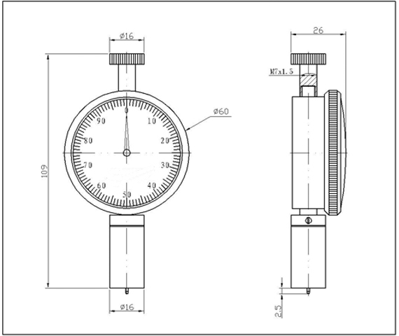
Спецификации
| Отожмите диаметр иглы | 1.25mm±0.15mm |
| Отожмите диаметр telos иглы | 0.79mm±0.03mm |
| Отожмите угол конусности иглы | 35°±0.25° |
| Отожмите ход иглы | 2.5mm±0.045 |
| Наберите ряд | 0HA-100HA6 |
| Обрамите размеры | 200mm×115mm×310mm |
| Сетчатый вес | 0.5kg |
Метод измерения
Этот измеритель твердости любит много других определений твердости, измерения глубина вмятия в материале создалась, котор дали усилием на унифицированной ноге давления. Эта глубина зависел на твердости материала, своих biscoelastic свойств, формы ноги давления и продолжительности испытания. Дурометры берега позволяют для измерения начальной твердости или твердости вмятия после, котор дали периода времени. Основное испытание требует придавать усилие в последовательном образе, без удара измеряя твердость (глубину вмятия). Если синхронизированная твердость пожелана, то усилие приложено на необходимое время и после этого прочитано.
Справка фото

