Перекрестный тип ведущий брус питания микрометра точности ролика XY оси широкий
Быстрые детали:
1. место происхождения: Шэньчжэнь, Китай
2. Направление передачи: XY ось
3. материал: Алюминиевый сплав, нержавеющая сталь
4.Type: Ручная таблица смещения
5. поверхностное покрытие: анодированное черное
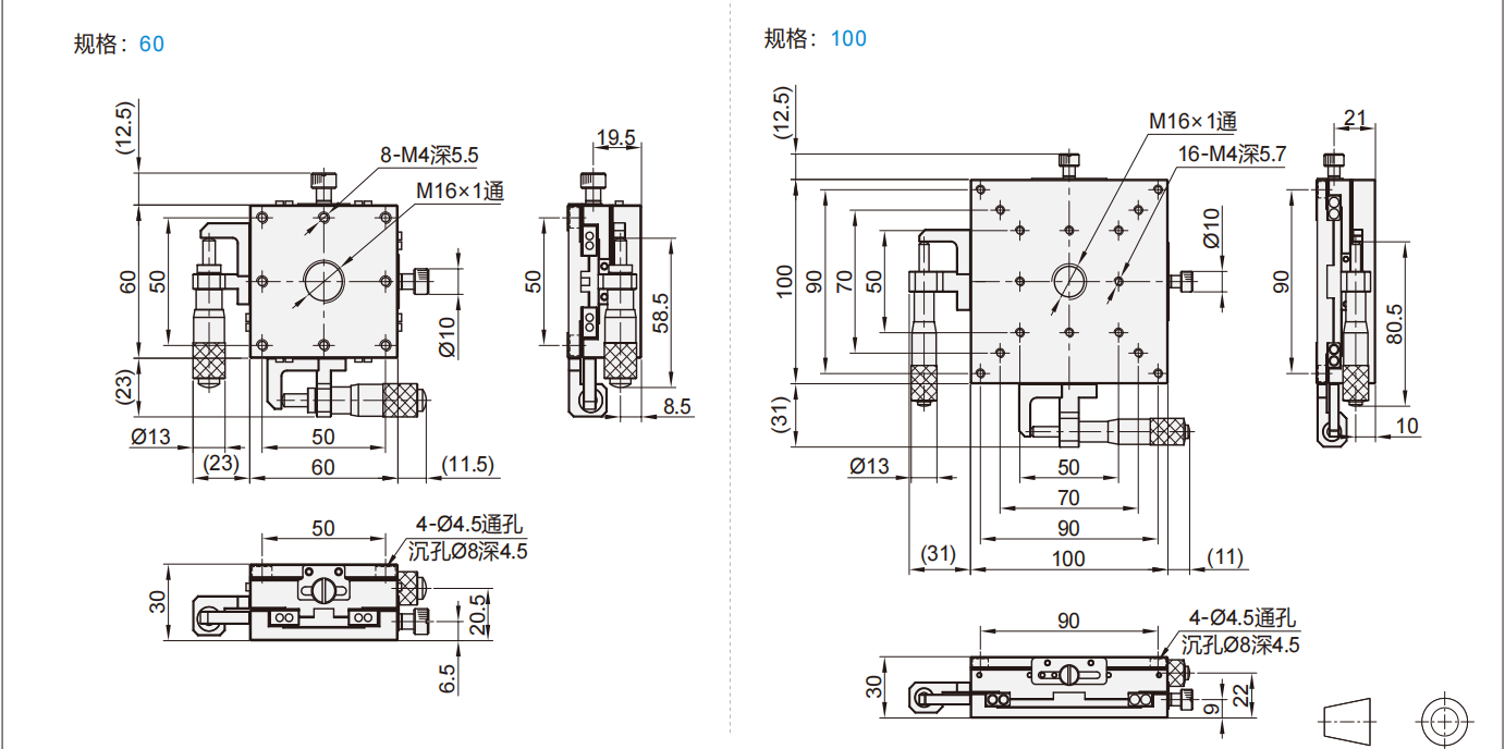
6. спецификации и модели: 40*40,60*60,80*80,100*100
Техническая характеристика изделия
| модели | Размер мезы (mm) | расстояние (mm) | Ведущее положение | Дифференциальная голова (µm) | Сопротивление нагрузки (n) | Мобильная точность | нагрузка (Kgf) | вес основного корпуса (kg) | |
| коды | спецификации | параллелизм (μm) | |||||||
| LMD12AJXY | 40 | 40*40 | ±6.5 | Сторона | 10 | 9,8 | 60 | 2 | 0,2 |
| 60 | 60*60 | 29,4 | 5 | 0,4 | |||||
| 80 | 80*80 | ±12.5 | 39,2 | 80 | 10 | 0,7 | |||
| 100 | 100*100 | 15 | 1,1 | ||||||
Оперативная среда таблицы скольжения:
Оперативная среда: 10-50℃, 20-70%RH (отсутствие конденсации)
Порекомендованная оперативная среда: 22±5 ℃, 20-70%RH (отсутствие конденсации)
Продукты:

Размеры установки


Перекрестным ведущий брус направленный роликом широкий

Зона использования таблицы скольжения

Наше преимущество
1. 90% стандартные части будут погружены в течение 3 дней. Продукты собрания можно поставить согласно требованиям клиента
Подгонянные продукты можно обсудить согласно дате доставки покупательского спроса
2. нештатные новые продукты чертежа customization.velop согласно требованию
3. строгая внутренняя система управления качеством. Всесторонняя система управления качеством поставщика
4. Все серии продуктов имеют модели 3D, поддержку вычисления и выбора для того чтобы улучшить эффективность дизайна. поддержка Пре-продаж и
после обслуживаний технической подготовки продажи
Снабжение:
международное срочным к глобальному около 7-10 рабочие дни, который нужно достигнуть (DHL/UPS/TNT/EMS/FEDEX etc. согласно требованию).
Для моря пересылка к глобальному около 15-20 рабочие дни, который нужно достигнуть.

Q: Ваша организация совершена к концепции полного управления качеством?
: Да, никакое дело в лазере режа, гнуть, или CNC подвергая механической обработке, работники не проводят первые осмотр и выборочную проверку образца во время обработки для обеспечения качества продуктов
Q: Сколько проверок выполнены на проекте?
: Обычно, продукты пойдут через следующие 4 осмотра: входящий осмотр, осмотр осмотра продукции первые, пробовать, и контроль перед отправкой. Среди их, пробуя осмотр будет проведен множественные времена.
Q: Вы будете работать с нашей проектируя командой для рассмотрения чертежей и для того чтобы обеспечить быструю, оцененную оценку для пожеланных изменений?
: Да, наши инженеры отвечают очень быстро. Если что-нибудь быть доработанным в продукте, то мы можем предложить вам новую цену как только вы говорите нам.
Q: Что виды информации вам для цитаты?
: Добросердечно пожалуйста обеспечьте чертеж продукта в PDF, и будет лучшим вы смогите обеспечить в .dwg/.stp/. iges/.stl, отправляют рисовать.
Q: Материал ROHS уступчив?
: Да
Q: Ваша компания подпишет NDA?
: Да