|
Данные по соединителя технические
|
|||||||||
|
Номер модели
|
MF03P2LPAB | ||||||||
|
Соединители нет.
|
Код
|
||||||||
| Степень загрязнения | 3 | ||||||||
| Расклассифицированное течение | 13A, 8A | ||||||||
|
Расклассифицированное напряжение тока
|
300V
|
||||||||
|
Напряжение тока импульса
|
2500V
|
||||||||
| Гайка винта | Латунный, CNC, покрытый никель | ||||||||
| Несущая контакта | TPU+GF | ||||||||
| Contect | Бронза светомассы | ||||||||
| Плакировка контактов | Au | ||||||||
| Колцеобразное уплотнение | FKM, кремний | ||||||||
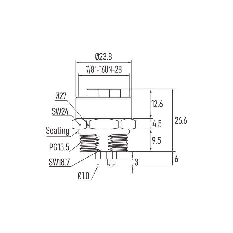
Штепсельная розетка держателя панели позволяет вы заткнуть соединители сразу в соединитель стены или свободно-смертной казни через повешение прибора для собрания в--поля. Процесс включает отрезать отверстие в поверхности электрического прибора и установить штепсельную розетку через или против отверстие. Этот тип держателя можно установить почти везде на шасси продукта и хорошо подойдет для продуктов которые требуют IP-расклассифицированной защиты от входа пыли или воды.
Потоки на части штепсельной розетки собрания.
Устанавливает от внешней стороны коробки.
Обеспеченный с гайкой варенья на внутренности коробки.
Загерметизированный с колцеобразным уплотнением на вне коробки для того чтобы достигнуть оценки IP.
Легкий для замены потому что штепсельная розетка установлена от снаружи.
Обыкновенно использованный когда космос будет ограничен за панелью.
вопросы и ответы
●Что разница между штепсельной вилкой и штепсельной розеткой?
Разница между штепсельной вилкой и штепсельной розеткой что штепсельные вилки увеличивали концевые шипы которые поместили в сопрягая вызванное гнездо штепсельной розеткой. Соединитель штепсельной розетки иногда вызван поднимает домкратом.

