Сверхцентральное блокирование ручного управления рычагом Коррозионно устойчивый для промышленного оборудования
[ Описание продукта ]
Наши рычаги парковочного тормоза обеспечивают превосходную производительность, качество и срок службы как для конструктора, так и для пользователя.Не требуется никаких ограничений на движение или вторичного разблокировки для работыТеплообработанный 4130 нагрузочный узел обеспечивает отличное сочетание качеств долговечности и надежности.и компенсировать износ системыДля повышения адаптивности доступны конфигурации с боковой или фланцевой установкой.и все остальные компоненты покрыты коррозионной стойкостьюВ качестве опции доступны противозависимая кнопка для предотвращения несанкционированной настройки и противопогодный выключатель в положении выключения.Левера снабжены оборудованием, необходимым для прикрепления фитингов конца кабеля к связующему звену нагрузкиТехнические описания показывают различные варианты, доступные для удовлетворения конкретных потребностей клиентов.
|
[Заявления]
[Материал] |
[Особенности] и боковые пластины |
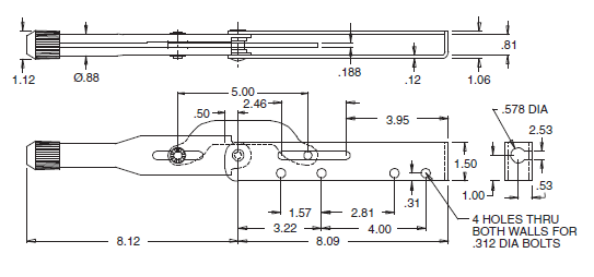
[ Спиральный рычаг ]

• Размер А с рычагом в полном положении "OFF". Используйте размер А для расчета длины кабеля.
• Размер B минимум с рычагом в полном положении ON и регулируется для минимума (CCW)
Используйте размер B минимум во время установки и начальной настройки.
добавить движение и увеличить регулировку тормозного давления.
• Максимальное измерение B с рычагом в полном положении "ON" и настроенным на максимальное (CW)
путешествовать.
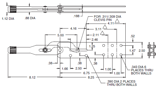
Боковая установка 165-508-008

2.5 дюймов (64 мм) широкие боковые пластины; один кабель с тремя альтернативными наборами отверстий для зажима кабеля. Для установки крышки, приборной панели, сиденья или рамы.
| Комплект B815- поставляется с следующей аппаратурой: | ||
| Клевисская булавка | Коттер-пин | Стиральная машина |
| Установка расстояния (2) | Сцепка для кабелей | Основа зажима |
| Промежутки зажима (2) | ||
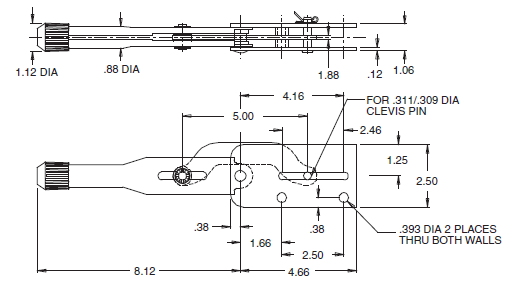
Боковая установка 165-508-009

2.5 дюймов (64 мм) широкие боковые пластины; один кабель. Для установки крышки, приборной панели, подъемника сиденья или рамы. Без поддержки кабеля.
| Комплект B816- поставляется с следующей аппаратурой: | ||
| Клевисская булавка | Коттер-пин | Стиральная машина |
| Установка расстояния (2) | ||
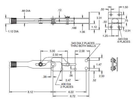
Фланцевая установка 165-508-010

2.5 дюймов (64 мм) широкие боковые пластины; один кабель. Для установки на подошве или острове.Жесткий каркас поддерживает выравнивание кливса штиф руководства слотов для улучшения жизни как штиф и боковых пластинок.
| Комплект B817- поставляется с следующей аппаратурой: | ||
| Клевисская булавка | Коттер-пин | Стиральная машина |
| Сцепка для кабелей | Основа зажима | 5/16-24 Болты (2) орехи (2) |
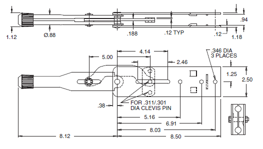
Боковая горка 165-508-011

1.5 дюймов (38 мм) широкие боковые пластины; один кабель для установки крышки, приборной панели, подъемника сиденья или рамы.
| Комплект B834- поставляется с следующей аппаратурой: | ||
| Клевисская булавка | Коттер-пин | Стиральная машина |
| Установка расстояния (2) | Сцепка для кабелей | |
Боковая горка 165-508-013

2.5 дюймов (64 мм) широкие боковые пластины; два кабеля. Для установки крышки, приборной панели, подъемника сиденья или рамы.При рассмотрении требований к нагрузке нагрузка на рычаг сборки будет суммой нагрузки в каждом кабеле.
| Комплект B835- поставляется с следующей аппаратурой: | ||
| Клевисовые булавки (2) | Коттер-пины (2) | Стиральные машины (2) |
| Установка расстояния (2) | Сцепки для кабелей | |
Фланцевая установка жесткая 165-508-023

1.5 дюймов (38 мм) широкие боковые пластины; один кабель.Для установки крышки, приборной панели, подъемника сиденья или рамы.
| Комплект B837- поставляется с следующей аппаратурой: | ||
| Клевисская булавка | Коттер-пин | Стиральная машина |
| Установка расстояния (2) | Сцепка для кабелей | Промежутки зажима (2) |
Боковая горка 165-508-028

1.5 дюймов (38 мм) широкие боковые пластины; один кабель для установки крышки, приборной панели, подъемника сиденья или рамы.
| Комплект B837- поставляется с следующей аппаратурой: | ||
| Клевисская булавка | Коттер-пин | Стиральная машина |
| Установка расстояния (2) | Сцепка для кабелей | Промежутки зажима (2) |
Фланцевая установка 165-508-078

2.5 дюймов (64 мм) широкие боковые пластины; два кабеля. Для установки на переборке, полу или острове (собачий дом).нагрузка на рычаг будет равна сумме нагрузки в каждом кабеле- Установка фланца крыла.
| Комплект B835- поставляется с следующей аппаратурой: | ||
| Клевисовые булавки (2) | Коттер-пины (2) | Стиральные машины (2) |
| Установка расстояния (2) | Сцепки для кабелей | |
Все габариты рисунков представлены в дюймах