Нержавеющая сталь серии П, низкоуглеродистая сталь, цинковые шарики твердое пластиковое тело с стальным козырьком
[ Описание продукта ]
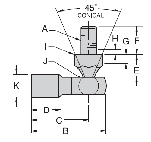
Подходит для многих более легких применений, таких как управление двигателем, электронные устройства и широкий спектр применений, требующих механических приводов с низким напряжением.Серия P предлагает наш самый экономичный дизайн шарикового суставаКоленные суставы серии P эффективны в коррозионной среде. Коленный столб изготавливается из низкоуглеродной стали, которая покрыта цинком и обработана желтым дихроматом для повышения коррозионной стойкости.Корпус из твердо формованного термопластика и предлагает преимущества самосмазки и износостойкостиМонтаж также предлагает возможность быстрого отсоединения шарикового штифта от корпуса для улучшения простоты обслуживания.
| [ Приложения ] 
 [ Материал ] | [ Особенности ] предлагает нашу самую базовую конструкцию и экономически эффективная модель шарового соединения преимущества устойчивости обслуживание температуры: | |
[ П ]
Жесткий пластиковый корпус с стальным козырьком



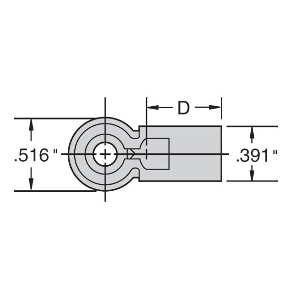
Примечания к таблице: * Только мяч-студ ** Только тело
