Оцинковывайте покрытый болт стержня золота продел нитку штанги
】 Характера продукции 【
Мы обеспечиваем качественное оборудование и аксессуары кабеля, включая; Хомуты, Clevises, шаровые шарниры, концы прута, оси, и больше. Если вам не можете найти что вы ищете или не нужна помощь решая, то что приспосабливает ваш кабель, пожалуйста отправьте нами электронную почту что вы ищете, и мы можем сделать ее для того чтобы приказать.
】 Преимуществ 【
1) Высокотемпературное сопротивление, отсутствие деформации на высокой температуре;
2) несите сопротивление и длинную жизнь;
3) коррозионная устойчивость и въедливые материалы;
4) Высокопрочный, смогите выдержать большой вращающий момент, быстрый ход;
5) иметь хорошее режущ представление;
6) небольшой остаточный стресс и небольшая деформация при нагреве после термической обработки;
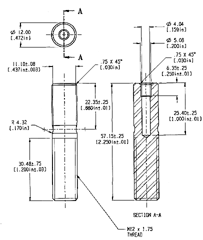
】 Рисовать 【

】 Изображения 【реальное
