Изготовленный на заказ Клевис конца прута весны газа вилки стали углерода у нержавеющей стали
】 Характера продукции 【
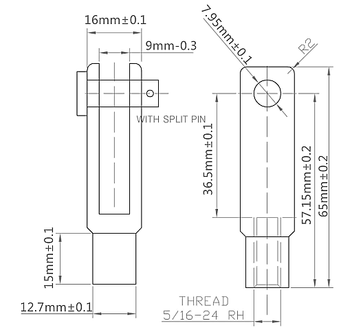
Крепежная деталь клевис система крепежной детали 3-части состоя из клевис, штифта с головкой и отверстием для шпильки, и тяни. Клевис подковообразная часть которая имеет отверстия в конце пронгс для принятия штифта с головкой и отверстием для шпильки. Штифт с головкой и отверстием для шпильки подобен болту, но только частично продет нитку или унтхреадед с взаимн отверстием для штыря разделения.
】 Применений 【
Регулируемые также вызванные концы хомута («клевис кончает») типично собраны к концу рычага штанги, трубы, трубки или кабеля и после этого прикреплены через штифт с головкой и отверстием для шпильки в пункт установки.
】 Чертежа 【
