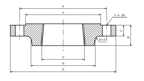
Фланцы с натяжкойэто вид фланца, соединенного с трубой для соединений трубопроводов высокого давления
Фланц с нитью - это вид фланца, соединенного с трубой нитью, он предлагает бесшовное и эффективное решение для соединений трубопроводов высокого давления.
Благодаря внутренней нитке трубы, она позволяет легко собирать и демонтировать без необходимости сварки.
Эта инновационная конструкция сводит к минимуму дополнительный крутящий момент и деформацию, обеспечивая безопасное приспособление при минимальных затратах.
Стандарт:
GB/T9119-2010 HG/T20592-2009 HG/T20615-2009 DIN ASME BS JIS
Материал:
304:F304 S30408 S30408II S30408III S30400
304L:S30403 S30403II 30403 30403II
316L:31603 31603II 31603III
2507 ((F53) 2205 ((F51) TP310S ((06Cr5Ni20) TP321 ((06Cr18Ni11) S22053III=2205III T321-32168=321
Фланц с натяжкой - это вид несварного фланца, который обрабатывает внутреннее отверстие фланца в трубную нить и соединяется с трубой нитью.В сравнении с плоским сварным фланцем или сварным фланцем, натянутый фланц обладает характеристиками удобной установки и обслуживания.

