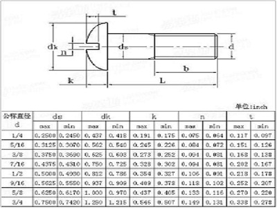
Материальный цинк нержавеющей стали покрыл прорезанную крепежную деталь ANSI/ASMEB18.6.2 винтов круглой головки
| Стандарт | ANSI/ASME, JIS, EN, DIN, BS, GB, доставка и регуляция, HG, IFI, ISO и etc. |
| Размер | Стандартный & нештатный, подгонянная поддержка |
| Материал | Сталь углерода, нержавеющая сталь и etc. |
| Ранг | SAE J429 Gr.2, 5,8; ASTM A307Gr.A, класс 4,8, 5,8, 6,8, 8,8, 10,9, 12,9 и etc. |
| Поток | UNC, UNF, BSW |
| Финиш | Ясно, ZincPlated (ясный/голубой/желтый/черный), чернота, HDPE, покрытие перфторуглеводорода, КСИЛАН |
| Упаковка | Большая часть в коробках на деревянном паллете или согласно требованию клиента особенному. |
| Применение | Структурная сталь; Металл Buliding; Oil&Gas; Tower&Pole; Энергия ветра; Механическая машина; Автомобиль |

