Винт главной собственной личности фланца нейлона наговора сверля стальной с поверхностью высокой отметки противокоррозионной покрывая
    
  Внедрение продукции
    
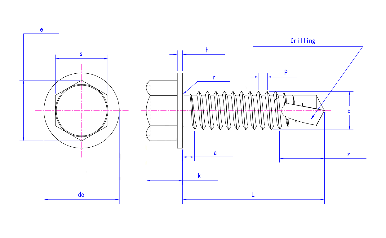
  Само-сверля винты доступны в большом разнообразии главных стилей и финишей приспосабливать требования почти любого применения. Мы предлагаем больше чем 20 винтов различного главного стиля само-сверля, как в стали, так и в нержавеющей стали. Само-сверля винты включают сверлить без сперва создавать пилотное отверстие. Эти винты обычно использованы для присоединения к материалов как металлический лист.
    
  Быстрые детали
     	- Место происхождения:
-  	Китай 
 	- Фирменное наименование:
-  	FLRS 
 	- Номер модели:
-  	FLRS-002DS 
 	- Стандарт:
-  	GB, ISO 
 	- Название продукта:
-  	Винты главной собственной личности фланца наговора сверля 
 	- Материал:
-  	Сталь углерода, нержавеющая сталь и etc. 
 	- Доставка:
-  	8-20 дней 
 	- Торговая термина:
-  	ОБМАНЫВАЙТЕ, CFR, CIF 
 	- Оплата:
-  	TT, LC, 
 	- Порт загрузки:
-  	Порт Шанхая, Китай
 
   
        Упаковка & Deliveretails
    	- Случаи коробок + переклейки
      
    
       
  
   	 		 			|  | Голова наговора, плоская головка, голова лотка, круглая головка, головка шайбы наговора | 
 		 			|  | ST2.9, ST3.5, ST4.2, ST4.8, ST5.5, ST6.3 (#4 - #14) | 
 		 			|  | 10 ~300mm | 
 		 			|  | #3, #3.5, #4, #5 | 
 		 			|  | Сверлить, Type17, выстукивая, ложка, | 
 		 			|  |  			Поток: маточная резьба, половинный поток, partical поток, AB, a, поток c | 
 		 			|  | Philips, прорезанное pozi, наговор, квадрат, совмещенное гнездо, | 
 		 			|  | Небольшое Box+carton+pallet или подгонянный запросом клиента | 
 		 			|  | Польский, гальванизированная равнина, (различный цвета), краска, покрытая сила, никель, Ruspert | 
 		 			|  | сталь 1.Stainless | SUS201,304,316,410 | 
 		 			| сталь 2.Carbon | C1018, C1022, C10B21, C10B33, C1035, C1045,40CrMo, 42CrMo | 
 		 			| 3. Легированная сталь | SCM435, C10B21, C10B33 | 
 		 			| Стандарт | DIN, GB, ISO | 
 		 			| Применение | Здание, индустрия, мебель, санитарная, электроника, движение. | 
 	 
          
   
