Подводная комбинация WQ EBARA Механическая пломба 560DA-45A Для насоса для сточных вод
Применение таблицы сочетания моделей водяных насосов

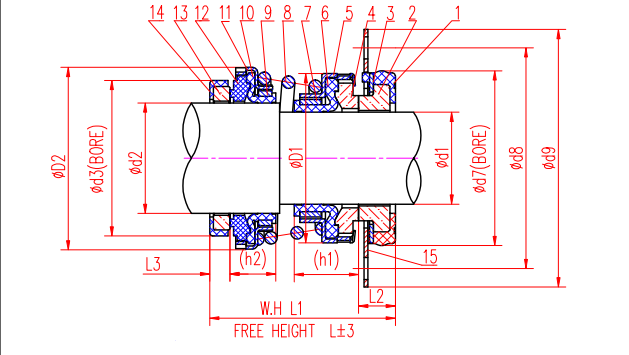
| Модель | d1 | d2 | d3 | d7 | 8P | d9 | D1 | D2 | T | L1 | L2 | L3 | h1 | h2 |
| 560DE-30 | 30 | 35 | 47 | 50 | 63 | 73 | 48 | 53.7 | 60 | 48 | 8.5 | 5.5 | 16 | 12.5 |
| 560DE-40 | 40 | 45 | 57 | 60 | 73 | 83 | 62 | 63.7 | 68 | 48 | 8.5 | 5.5 | 18 | 12.5 |
| 560DE-45 | 45 | 50 | 62 | 67 | 80 | 90 | 66 | 69.4 | 78 | 50.5 | 10 | 5.5 | 17.5 | 12.5 |
Технические параметры
| Температура | -30°C~+200°C |
| давление | ≤1Mp a |
| Скорость | ≤ 12 м/с |
| Средний | насос для сточных вод |
Материалы
| Ротационное кольцо | SIC CAR CE TC |
| Стационарный кольцо |
SIC CAR CE TC |
| Весна | SUS304/SUS316 |
| Недвижимое сиденье | SUS304/SUS316 |
| Вторичная печать |
Fkm/EPDM |
| Окружающийся кольцевой держатель | SUS304/SUS316 |
Приготовление:
1. Внешний диаметр вала находится в пределах допустимой допустимости +-0,05 мм
2. Выпуск вала < 0,1 мм
3. Плотность конца вала < 0,13 мм
4, нет острых краев на вале над кольцом
Примечание:
Во время установки, не царапать или повредить кольцо. Если что-то повреждено, пожалуйста, свяжитесь с нами, чтобы заменить новый.
Установка в конструкциях:
1. полный набор уплотнения картриджа очищается и точно проходит проверку утечек перед продажей.
2 Размещение между уплотнителем и валом составляет dl h6 0.8В конце вала должен быть проходный вход.Внешний диаметр вала в положении винта должен быть на 0,2 мм меньше,чтоб не дать винту слишком сильно затянуться.
3Поместите уплотнитель картриджа в насосную камеру, затем:
A: Укрепление четырех винтовых болтов фланцев, обеспечивающих вход среды в отверстие "G" в верхнем положении
B: Укрепить четыре винта и расположить рукав вала на вале.
С: Уберите четыре габаритные таблички. Пожалуйста, оставьте их и используйте их в будущих установках и
Разобраться.
D: соедините среднюю свинцовую трубу с отверстием "G", чтобы отмыть тепло от трения и
промывку уплотнительной камеры при работе насоса.
Примечание:
Чтобы завершить установку, он поворачивал вал вручную, чтобы проверить вращение, если он не мог вращаться плавно, уплотнение было неправильно установлено.

Мы хотим искренне сотрудничать с клиентами, чтобы поставлять высококачественные продукты и услуги Мы верим в установление долгосрочных отношений сотрудничества, которые являются ключом к успеху

1- Кто мы?
Мы базируемся в Гуандуншэне, Китай, начиная с 2014 года, продаем в Западную Европу ((30.00%), Северную Америку ((30.00%), Юго-Восточную Азию ((20.00%), Южную Америку ((10.00%), Ближний Восток ((10.00%).
2Как мы можем гарантировать качество?
Всегда образец предварительного производства перед серийным производством;
Всегда окончательный осмотр перед отправкой;
3Что вы можете купить у нас?
Механические уплотнители для насосов различных всемирно известных марок
4Почему вы покупаете у нас, а не у других поставщиков?
Мы производитель с 15-летним опытом работы в отрасли.
5Какие услуги мы можем предоставить?
Принятые условия доставки: FOB, CIF, EXW, DDP, экспресс доставка;
Принятая валюта платежа: USD,EUR,JPY,CAD,AUD,HKD,GBP,CNY,CHF;
Принятый вид оплаты: T/T, L/C, MoneyGram, Western Union, наличные;
Язык: английский,китайский,испанский,французский,русский,итальянский
