МЛК18К-Н интегрировало Не-изолированного водителя СИД Диммабле 18В датчика движения
Параметры:
| Входной сигнал | Рабочий потенциал | 198-264В АК 50Хз/60ХЗ |
| Ввод напряжения | 220-240В АК 50Хз/60ХЗ | |
| Течение входного сигнала | ≤0.11А (230ВАК, максимальная допускаемая нагрузка) | |
| Фактор силы | 0,9 (максимальная допускаемая нагрузка) | |
| Эффективность | Максимальная допускаемая нагрузка ≥86% Макс.230В | |
| Резервная сила | ≤1В | |
| Метод проводки | Терминал шрапнели | |
| Выход | Работая тип | Постоянн течение |
| Тип нагрузки | СИД | |
| Требование к пульсации (мелькая или мелькая свободно) | Мелькать (только глаза не смогите увидеть встряхивание) | |
| Напряжение тока выхода нулевой нагрузки | 63В ДК Макс | |
| Ряд напряжения тока выхода нагрузки | ДК 24-53В | |
| Сила выхода максимальной допускаемой нагрузки | 19В Макс. | |
| Течение выхода нагрузки | 300мА/350мА | |
| Постоянн точность течения/напряжения тока | Постоянн настоящая точность ±5% | |
| Метод проводки | Нажмите терминал | |
| Требования к предохранения от исключения | Выход над предохранением от напряжения тока | Да |
| Выход над предохранением от нагрузки | Да | |
| Предохранение от короткого замыкания выхода | Да | |
| Параметр датчика | Равочая частота ХФ | 5,8 ГХз ±75 МХз, диапазон волны ИЗМА |
| Сила излучаемая ХФ | 0.5мВ Макс. | |
| Время задержки | 5С/1мин/5мин/10мин | |
| Затемнять коэффициент | 10% /25 % | |
| Резервный период | 0С/1мин/10мин/+∞ | |
| Зона обнаружения | 50%/100% | |
| Датчик дневного света | 5лукс/25лукс /50lux/отключение | |
| Зона обнаружения ХФ | Радиус 3-6м (высота 3м установки) | |
| Высота установки: | Предложенная устанавливая высота: 3-4м, 6м Макс. | |
| Угол обнаружения | 150° (установка), 360° стены (установка потолка) | |
|
Работать Окружающая среда |
Влажность рабочей температуры | Влажность -25℃~50℃: 85% (Не-конденсировать) |
| Влажность температуры хранения | Влажность -40℃~80℃: 85% (Не-конденсировать) | |
| Темп наружного случая максимальный (Тк) | 85℃ | |
|
Безопасность & ЭМК
|
Наддув изоляции | (Л н) вход-выход, 3000ВАК/5мА/1мин |
| Требование к безопасности | ЭН61347-1 | |
| ЭМК | ЭН55015 | |
| Аттестация | КЭ | |
| Другие | Оценка ИП | ИП20 |
| Уровень защиты | Класс ИИ | |
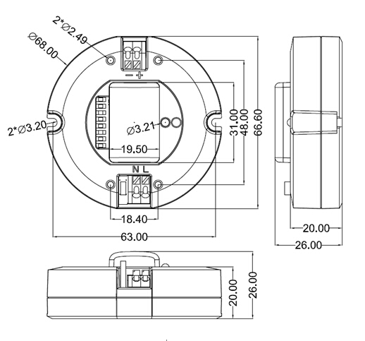
| Размер установки | Φ68мм, х 26мм | |
| Упаковывая требование | Сумка пузыря + клапбоард + наружный случай (К=А | |
| Жизнь | 30000х @ нагрузка животиков 100% |
Размер:

Скрутите диаграмму:

Функция:


Диаграмма функции:

Установка датчика:
| 1 | |
| 100% | НА |
| 50% | -- |
| 2 | 3 | |
| 5с | НА | НА |
| 1мин | НА | |
| 5мин | НА | |
| 10мин | - | - |
| 4 | 5 | |
| 5Лукс | НА | НА |
| 25Лукс | НА | |
| 50Лукс | - | НА |
| Отключение | - | - |
| 7 | 8 | |
| 0С | НА | НА |
| 1мин | НА | |
| 10мин | НА | |
| +∞ | - | - |