Стойте один датчик движения ИП65 микроволны МК031В 120-277Вак Иньпут для высокого залива
Описание
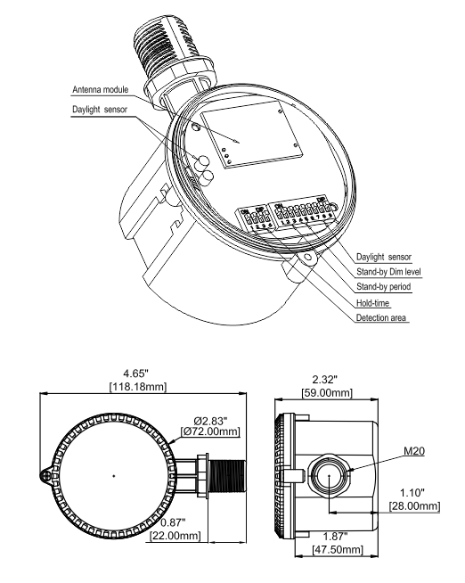
Датчик конструирован для пользы склада, и особенный кронштейн металла ротатабел может поддержать для различных штуцеров формы.
За исключением более высокой высоты 15м Макс установки. Датчики позволяют энергосберегающему без компрометируя комфорта. При использовании в комбинации с диммабле водителями или балластами СИД 0-10В, они могут достигнуть функции 3 шагов затемняя, которая идеальна для пользы в нескольких областей которая требует светлого извещения о изменения перед полностью переключателем.
Также, интерфейс 0-10В в датчиках может соответствовать вверх датчику МС01 дневного света Меррытек отдельно стоящему, и снабжает дневной свет жать, середины осветительная установка автоматизировали контроли которые или поверните или тусклый искусственный свет в ответ на доступный дневной свет в космосе.
Особенность
1. Автоматический затемнять при использовании в комбинации с диммабле водителями или балластами СИД 0-10В.
2. Интерфейс дневного света сенсор.0-10В разъема регулируемый может соответствовать вверх датчику МС01 дневного света Меррытек отдельно стоящему и достигать сбору дневного света.
3. Зону обнаружения, задержку по времени и порог дневного света можно точно установить через глубокий переключатель.
4. Широкая зона обнаружения, ряд до 16м в диаметре и высота 15М Макс установки.
5. соответствующий для высокого залива из-за зажима рефлектора металла.
6. Затемняя функция или на с функции
Информация о продукте

Функция
затемняя функция 3-степ:

Связывать проволокой

Установка:

Спецификации
|
Рабочий потенциал |
120-277Вак, 50/60Хз |
|
|
|
Номинальная нагрузка |
120Вак балласт 4А электронный/магнитный; 277Вак балласт 3А электронный/магнитный |
|
|
|
Система ХФ |
5.8ГХз±75МХз, диапазон волны ИЗМА |
|
|
|
Расход энергии |
≤0.5В (положение боевой готовности), <1w> |
|
|
|
Передавая сила |
<0> |
|
|
|
Зона обнаружения максимальная (Д кс х) |
16м кс 15м |
|
|
|
Обнаружение движения |
0.5~3м/с |
|
|
|
Угол обнаружения |
150° (установка) 360° стены (установка потолка) |
|
|
|
Оценка ИП |
ИП65 |
|
|
|
Температура деятельности |
-35℃~70℃ |
|
|
|
Время задержки |
5с/30с/90с/3мин/20мин/30мин |
|
|
|
Чувствительность обнаружения |
50%/100% |
|
|
|
Датчик дневного света |
50лукс/100лукс/200лукс/отключение |
|
|
|
Резервный период |
5с/5мин/10мин/30мин/1х/отключение |
|
|
|
Резервный затемняя уровень |
10%/20%/30%/50% |
|
|
| Время жизни | 50000хоурс | ||
Картина обнаружения

Применения:
Склад
