1. Особенности:
2. Параметры:
| Входной сигнал | Расклассифицированный ввод напряжения | 120/277/347Вак |
| Резервная сила | ≤1.0В | |
| Метод проводки | Диаметр провода соединения проводки: 18АВГ | |
| Выход | Работающий режим | ВКЛЮЧЕНО-ВЫКЛЮЧЕНО 1-10В |
| Сила нагрузки |
800В индуктивное 1200В сопротивляющееся @347ВАК 1200В индуктивное 1600В сопротивляющееся @480ВАК |
|
| 1-10В затемняя | < 50mA=""> | |
| Метод проводки | Диаметр провода соединения проводки: 18АВГ | |
| Параметры датчика | Равочая частота ХФ | 5,8 ГХз ±75 МХз, диапазон волны ИЗМА |
| Сила излучаемая ХФ | 0.5мВ Макс. | |
| Зона обнаружения | 100%/50% (дистанционное управление: 100%/50%) | |
| Время задержки | 5С/30С/1мин/3мин/20мин/30мин (дистанционное управление: 5С/30С/1мин/3мин/5мин/10мин/20мин/30мин) | |
| Резервный уровень | 0с/1мин/3мин/10мин/30мин/Дисабле (дистанционное управление: 0с/10С/1мин/3мин/5мин/10мин/30мин/Дисабле) | |
| Датчик дневного света | 5лукс/15Лукс/30Лукс/50Лукс/100лукс/150лукс/Дисабле (дистанционное управление: 5лукс/15Лукс/30Лукс/50Лукс/100лукс/150лукс/Дисабле) | |
| Резервный тусклый уровень | 10%/20%/30%/50% (дистанционное управление: 10%/20%/30%/50%) | |
| Высота установки | Высота Максимальн Установки: 12м Макс. | |
| Обнаружение Анджел | 150° (установка), 360° стены (установка потолка) | |
|
Работать Окружающая среда |
Рабочая температура | -35℃~+55℃ |
| Температура хранения | -40℃~+80℃ | |
|
Безопасность & ЭМК |
Наддув изоляции | Н/А |
| ЭМК | Н/А | |
| Другие | Требование к сертификата | УЛ |
| Оценка ИП | ИП65 | |
| Класс защиты | Н/А | |
| Требование к установки | Независимая установка | |
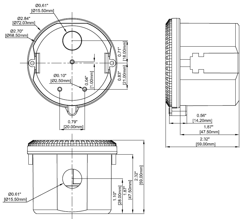
| Размер установки | ¢72*59мм | |
| Упаковывая требование | Сумка пузыря + коробка Клапбоард +Оутер (К=А) | |
| Жизнь | 50000х |

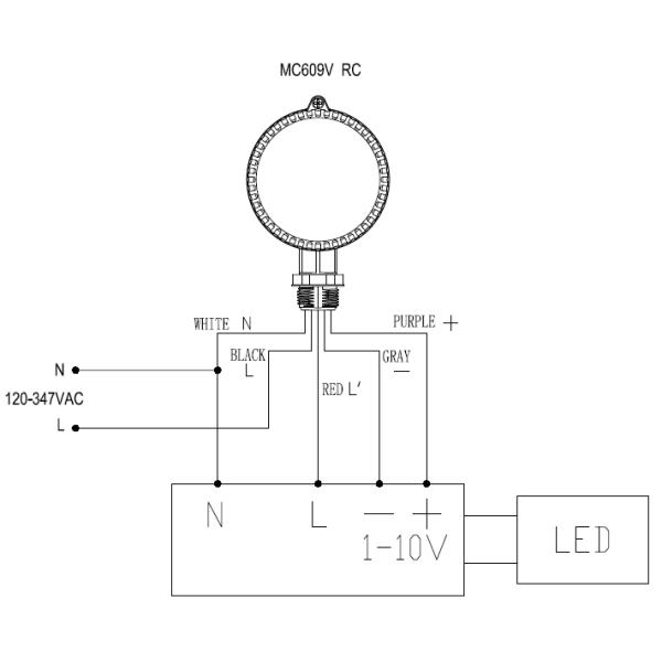
4. монтажная схема


5. функция

6. установки
| 1 | |
| 100% | НА |
| 50% | - |
| 2 | 3 | 4 | |
| 5с | НА | НА | НА |
| 30с | - | НА | НА |
| 90с | НА | - | НА |
| 3мин | - | - | НА |
| 20мин | НА | НА | - |
| 30мин | - | - | - |
| 1 | 2 | 3 | |
| 5с | - | - | - |
| 5мин | НА | НА | - |
| 10мин | - | - | НА |
| 30мин | НА | - | НА |
| 1х | - | НА | НА |
| +∞ | НА | НА | НА |
| Яркость % | Постоянн Выход напряжения тока |
4 | 5 |
| 5-10% | 1.5±0.2В | НА | НА |
| 15-20% | 2В±0.2В | НА | - |
| 25-30% | 3В±0.2В | - | НА |
| 45-50% | 5В±0.2В |
|
- |
| 6 | 7 | 8 | 9 | |
| 5Лукс | НА | НА | НА | НА |
| 15Лукс | - | НА | НА | НА |
| 30Лукс | НА | - | НА | НА |
| 50лукс | - | - | НА | НА |
| 100лукс | НА | НА | - | НА |
| 150лукс | НА | НА | НА | - |
| Отключение | - | - | - | - |