Спецификации
Номер модели :
ML50C-PC1
Место происхождения :
Китай
Количество минимального заказа :
остановите продукцию, не доступную.
Термины компенсации :
T / T или западное соединение
Способность поставкы :
10000 ПК в месяц
Срок поставки :
1, образец и малый заказ: Не познее 5 рабочих дней после получать вашу компенсацию. 2, навальный зак
Упаковывая детали :
Упакованный в мешке пузыря во первых, и после этого усиленный с коробкой для наружной упаковки
Название продукта :
НАЖИМ Dimmable & СИД цветовой температуры регулируемый водитель
Нагрузка выхода :
1x50W максимальное
Напряжение тока выхода :
76Vmax.
Ввод напряжения :
220-240VAC
Затемнять режим :
Нажим
Работая температура :
-25℃-50℃
Класс изоляции :
Класс I
Утверждения :
CE
Класс защиты :
IP20
Описание

Водитель 50W СИД IP20 1-10v Dimmable с автомобилем берет, никакой кабель синхронизации потребности

Описание:

1, цветовая температура регулируемая кнопкой

2, функция встроенного нажима затемняя

3, постоянн течение выхода 350mA к 850mA выбранному глубоким переключателем

4, перегрузка, предохранение от короткого замыкания

5, 5 лет гарантированности

6, короткий нажим 2 времени переключить цветовую температуру легко.

7, затемняющ ровную память на восстановлении основ

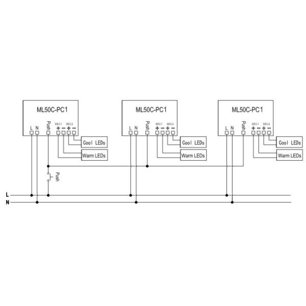
8, отсутствие кабеля синхронизации потребности дополнительного, до водителей 15pcs соединянный к такой же кнопке

Водитель 50W СИД IP20 1-10v Dimmable с автомобилем берет цветовую температуру регулируемую

Спецификации:

Детали

Данные

Примечание

Ввод напряжения

220-240VAC 50/60Hz

Течение входного сигнала

0.260A максимальное.

Фактор силы

≥0.90 (входной сигнал и максимальная допускаемая нагрузка @240Vac)

Расход энергии нулевой нагрузки

<2>

Напряжение тока выхода

DC 34.2W DC 26.6W максимальный 450mA 12~76V 350mA 12~76V максимальный

DC 41.8W DC 38.0W максимальный 550mA 12~76V 500mA 12~76V максимальный

DC 49.4W DC 45.6W максимальный 650mA 12~76V 600mA 12~76V максимальный

DC 48.8W DC 49.0W максимальный 750mA 12~65V 700mA 12~70V максимальный

DC 49.3W 850mA 12~58V максимальный

Установите через ПОГРУЖЕНИЕ

переключите

Настоящая точность

±5%

Эффективность

≥87%

Напряжение тока выхода нулевой нагрузки

88Vdc максимальное.

Рабочая температура

-20℃~50℃, Tc: 85℃

Температура хранения

-40℃~80℃

Стержень

Входной сигнал: L, N, НАЖИМ, FE

Выход: SEC1, SEC2

Тип предохранения

Тип i

Над предохранением от нагрузки

Над предохранением от нагрузки с автомобилем возьмите

Закоротите предохранение

Предохранение от короткого замыкания с автомобилем берет

Стандарты EMC

EN55015, EN61547,

EN61000-3-2, EN61000-3-3

Нормы бесопасности

EN 61347-1, EN61347-2-13

Требование производительности

EN62384

Утверждение

CE

Диэлектрическая прочность

Вход-выход: 3.75kVAC/5mA/1min

Размер (L x W x h)

× 23.5mm × 79mm 123mm

Ранг IP

IP20

Затемнять деятельность:

НАЖМИТЕ тусклое

Деятельность 1

Проигнорируйте

Во избежание реакция на спайке AC

<0>

Деятельность 2

Короткий нажим

Поверните включено-выключено

0.1~1sec

Деятельность 3

Короткий нажим 2 времени не познее 1 второе

Переключите к другому выходу

направьтесь (теплое СИД или охлаждает

СИД)

<1>

Деятельность 4

Длинний нажим

Затемнять up or down

1.5-10sec

Короткий нажим (<0>

Короткий нажим (0.1~1sec): Переключите включено-выключено.

Замкните накоротко нажим 2 времени не познее 1 секунда (<1sec>

Длинний нажим (1.5-10sec): Затемнять up or down, затемняющ автоматически останавливает на минимальном или максимальном значении.

Скрутите диаграмму:

Водитель 50W СИД IP20 1-10v Dimmable с автомобилем берет цветовую температуру регулируемую

Отправьте сообщение этому поставщику
Отправляй сейчас

Водитель 50W СИД IP20 1-10v Dimmable с автомобилем берет цветовую температуру регулируемую

Спросите последнюю цену
Номер модели :
ML50C-PC1
Место происхождения :
Китай
Количество минимального заказа :
остановите продукцию, не доступную.
Термины компенсации :
T / T или западное соединение
Способность поставкы :
10000 ПК в месяц
Срок поставки :
1, образец и малый заказ: Не познее 5 рабочих дней после получать вашу компенсацию. 2, навальный зак
Контактный поставщик
Водитель 50W СИД IP20 1-10v Dimmable с автомобилем берет цветовую температуру регулируемую
Водитель 50W СИД IP20 1-10v Dimmable с автомобилем берет цветовую температуру регулируемую
Водитель 50W СИД IP20 1-10v Dimmable с автомобилем берет цветовую температуру регулируемую
Водитель 50W СИД IP20 1-10v Dimmable с автомобилем берет цветовую температуру регулируемую
Водитель 50W СИД IP20 1-10v Dimmable с автомобилем берет цветовую температуру регулируемую

Shenzhen Merrytek Technology Co., Ltd.

Verified Supplier
10 Годы
guangdong, shenzhen
Вид деятельности :
Manufacturer, Exporter, Seller
Количество работников :
200~300
Уровень сертификации :
Verified Supplier
Узнайте о аналогичных продуктах
Смотрите больше
Контактный поставщик
Требование о предоставлении