Малый диапазон обнаружения 24 ГГц датчик радиолокационного присутствия с выходом от постоянного до постоянного контакта
1.Особенность
MSA215D 99 - это датчик радаров на частоте 24 ГГц, основанный на запатентованной многоуровневой антенне Merrytek.Он может точно обнаружить информацию о присутствии человека в небольшом диапазоне с четкими границами, такими как рабочие места и туалетные кабины.Таким образом, он может обеспечить быструю и точную информацию о присутствии/отсутствии человека для умных офисных рабочих станций, небольших кабинетов для совещаний и умных туалетных решений.
2. Параметры
| Вход/выход | Входное напряжение | 12-24В постоянного тока |
| Номинальное напряжение | 12В/24В постоянного тока | |
| Рабочий ток | 125 мА максимум | |
| Рабочая мощность | ≤ 1 Вт 24 Вт постоянного тока | |
| Выходной сигнал | NO/NC сухой контакт (фабричный настройка NO сухой контакт) | |
| Параметр датчика | Радарная частота | 24.125 ГГц±125 МГц ISM |
| Передающая мощность | Максимально 5 мВт | |
| Область обнаружения | Дистанционное управление или настройка DIP MH10: 25%-100% | |
| Время ожидания | Установка дистанционного управления или DIP MH10: 5 с-30 мин. | |
| Порог датчика дневного света | Движение/присутствие (высота 3 м): 0,5-1,5 м | |
| Диапазон обнаружения радиуса ((на основе режима QS1 100% чувствительности) | 5-150люкс/отключенный | |
| Дистанционное управление | Доступно | |
| Высота установки | 2-4 м | |
| Угол луча 3 дБ | 30° ((горизонтально) | |
| 30° ((вертикально) | ||
| Окружение применения | Сверло | Φ65-70 мм |
| Рабочая температура | 0°C...+50°C | |
| Температура хранения | -25°C~+80°C | |
| Стандарт сертификации | Сертификат | CE/FCC/RED |
| Экологические требования | Соответствует требованиям RoHS | |
| Рейтинг IP | IP20 | |
| Примечание: "Нет" означает отсутствие. | ||
3. Размер(мм)


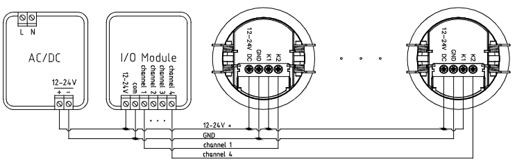
4.Проводка

5Зона обнаружения.

6. Настройка по умолчанию
Область обнаружения: 100% Время ожидания: 1 минута Дневной датчик: Отключить индикаторный свет: открыт
7Сигнал обнаружения.
Продукт обнаруживает движение человека, незначительное движение и сигналы присутствия, а также обнаруживает человеческое существование / отсутствие человека в состоянии сна.незначительные сигналы движения и присутствия:
* Сигнал движения:обнаружить значительное движение человека (ходьбу) в зоне обнаружения.
*Незначительный движущийся сигнал:обнаружить небольшое движение человека в зоне обнаружения, например, наклоняться вперед, наклоняться вперед и назад, качаться конечностями, трясти головой, печатать, играть с мобильными телефонами и так далее.
* Сигнал присутствия:обнаруживать поведение расширения живота и груди человека, вызванное дыханием, но не обнаруживать движущийся сигнал и незначительный движущийся сигнал.
7. Настройка DIP
Область обнаружения
| 1 | 2 | ||
| Ⅰ | Включено | Включено | 100% |
| Ⅱ | - | Включено | 75% |
| Ⅲ | Включено | - | 50% |
| Ⅳ | - | - | 25% |
Время ожидания
| 3 | 4 | 5 | 6 | ||
| Ⅰ | Включено | Включено | Включено | Включено | 5S |
| Ⅱ | Включено | Включено | - | Включено | 30S |
| Ⅲ | - | Включено | Включено | Включено | 1 минута |
| Ⅳ | Включено | - | Включено | Включено | 3 минуты |
| Ⅴ | - | - | - | - | Пять минут. |
Дневной датчик
| 7 | 8 | ||
| Ⅰ | Включено | Включено | 5Lux |
| Ⅱ | Включено | - | 30Lux |
| Ⅲ | - | Включено | 50Lux |
| Ⅳ | - | - | Отключить |