Датчик движения DALI с питанием DALI BUS 5.8G микроволновой датчик для умного офиса:
1Введение.
MSA055 представляет собой 5,8 ГГц радарный датчик с сильной анти-интерференцией, основанный на высокоприбыльной антенне, разработанной независимо от Merrytek.Широкий диапазон обнаружения в сочетании с уникальным программным алгоритмом от Merrytek, он может точно обнаруживать сигналы движения, вызванные человеческим движением почти во всех помещениях, и в то же время, он вводит сигналы для умных домов, умных отелей,и интеллектуальная офисная система управления от DALI 2.0 протокол связи.
2. Параметры
| Ввод/вывод | Входное напряжение | Приводятся в действие автобусом DALI |
| Номинальный ток | 13±1mA | |
| Режим связи | Автобус DALI | |
| Параметры датчика | Частота работы | 50,8 ГГц±75 МГц, диапазон ISM |
| Сила излучения | 1 мВт максимум. | |
| Область обнаружения | 100%/ 75%/ 50%/ 25% (настройка с помощью дистанционного управления) | |
| Время ожидания | 1s-30min, установленный мастером DALI (по умолчанию: 5s) | |
| Дневной датчик | Никаких | |
| Диапазон измерения уровня окружающей освещенности | 5-1000люкс (установка на высоте 3 м, измерение уровня люкса, отражаемого землей непосредственно под изделием) | |
| Диапазон обнаружения (100% чувствительности, в радиусе) | 3 м | |
| Высота установки | 20,5-4,0 м, обычно: 3 м | |
| Угол 3D луча | 80° (XZ) | |
| Угол 3D луча | 96° (YZ) | |
| Окружающая среда | Рабочая температура | 0-50°C |
| Температура хранения | -40-80°C | |
| Стандарт сертификации | Соблюдать | CE |
| Экологические требования | Рох | |
| Рейтинг ИС | IP20 | |
| Гарантия | 5 лет |
3. Размер

4. Функция

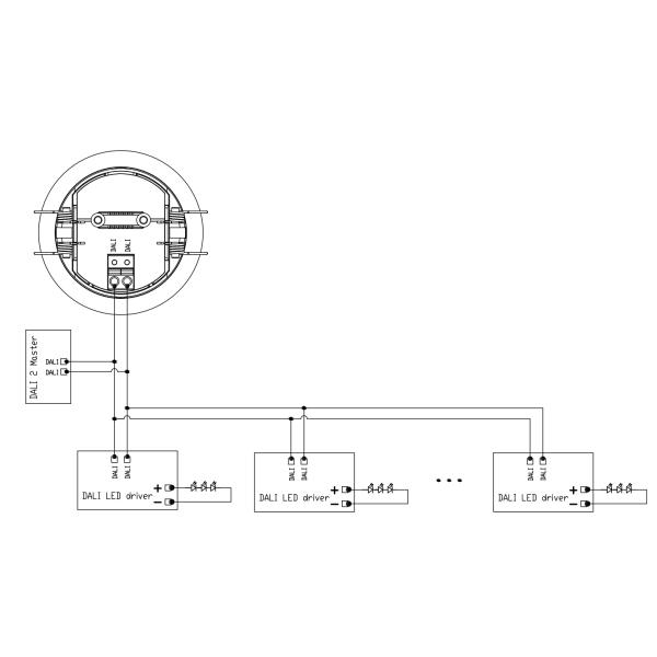
5Проводка.
1. Режим трансляции

2Групповой контроль

6. Инициализация
Светодиодный индикатор выключается после 10 секунд включения в первый раз, и никакого движения не будет обнаружено во время инициализации.Светодиод может быть выключен и включен через пульт дистанционного управления MH10, а параметры чувствительности и времени задержки можно настроить с помощью пульта дистанционного управления.
7. Настройка по умолчанию
Чувствительность: 100% Время ожидания: 5 с