3pc шаровой клапан и клапан фланцевой ворота являются одного типа клапана, шарик вокруг центральной линии тела для вращения для достижения открытия и закрытия клапана.Шаровой клапан в трубопроводе в основном используется для отсечения, распределение и изменение направления потока среды. двухчастичный шаровой клапан, трехчастичный шаровый клапан - это новый тип клапана, широко используемый в последние годы,клапан обычно устанавливается горизонтально.






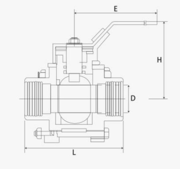
| Размер | Е | H | D | Л |
| Пол дюйма. | 106 | 44 | 15 | 63 |
| 3/4 дюйма. | 108 | 58 | 20 | 71 |
| 1" | 120 | 63 | 25 | 82 |
| 1 1/4 дюйма | 128 | 74 | 32 | 94 |
| 1 1/2 дюйма. | 148 | 80 | 40 | 102 |
| 2' | 169 | 95 | 50 | 105 |


