12V чистят мотор щеткой 10RPM шестерни шпоры Dc, подгонянный мотор щеточного устройства DC 33mm
Основные особенности:
Тип мотора: Почистьте коммутированный мотор щеткой шестерни DC
Тип коробки передач: коробка передач шпоры
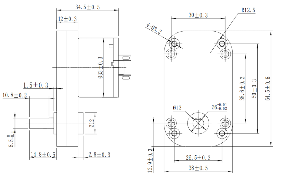
Диаметр коробки передач: 65*38*12mm; Мотор DC: диаметр 33mm
| Нулевая нагрузка | нагрузка | стойл | |||||||
| Номер модели | Расклассифицированное напряжение тока | настоящий (мамы) | скорость (rpm) | настоящий (мамы) | скорость (rpm) | вращающий момент kgf.cm | сила w выхода | Вращающий момент kgf.cm | Настоящие мамы |
| DC6538-135 | 12 | ≤30 | 24 | ≤100 | 19 | 1,6 | 0,5 | ≥3.0 | ≤400 |
| DC6538-225 | 12 | ≤30 | 14 | ≤100 | 11 | 3 | 0,5 | ≥4.5 | ≤400 |
| Коэффициент уменьшения | 1:40/1:67 | 1:135/1:225 | 1:450 |
| длина коробки передач | 65*38*12 | 65*38*12 | 65*38*12 |
| эффективность коробки передач | 72% | 65% | 58% |
Размеры мотора шестерни:

Обеспечьте размер мотора, приведите требование, напряжение тока деятельности, преобразование нулевой нагрузки, течение нулевой нагрузки, нагрузку, течение стойла, etc, ПОРТНЯЖНИЧАТЬ ВАШ МОТОР.
Расклассифицированное напряжение тока: 12VDC/24VDC другое напряжение тока
Индустрия применения/индустрия TApplication: Финансовое оборудование, автоматизация, консоли игры и другие индустрии;
Примечание: Предполагаемые форму и представление можно подгонять согласно требованиям