Высокоскоростной низкоточный вентиляторный двигатель мотора 7mm 3.7v Vibratation Bladeless
Ключевые характеристики:
Расклассифицированное напряжение тока: 3.7VDC
Свободная скорость оборотов под нагрузкой: 28000±12%
Свободное течение нагрузки: ≤95mA
Проектная скорость: 17500±12%
Расклассифицированное течение: ≤1800mA
Напряжение тока начала: 1.5VDC
Осевой люфт вала: 0.2±0.1mm
| Номер деталя | Вибрируя мотор CL-720 | Бренд | Secore |
| Расклассифицированное напряжение тока | 3.7V | Скорость нулевой нагрузки | 28000rpm |
| Течение нулевой нагрузки | 95mA | Проектная скорость | 17500rpm |
| Расклассифицированная сила | 3W | Тип мотора | ironless мотор щетки |
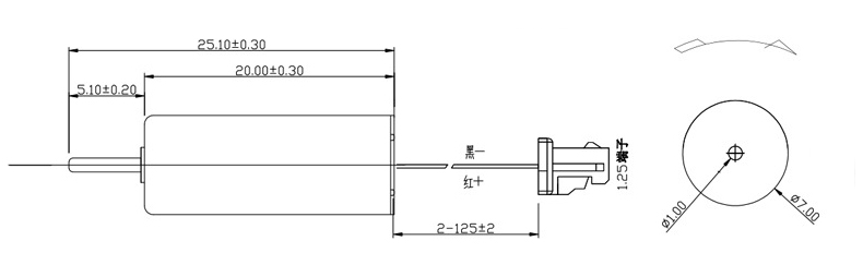
| Размер мотора | 7mm*20mm | Расклассифицированный ряд вольта | 1.5-6V |
Размеры конструкции:

