Высокий мотор 500W щетки DC постоянного магнита вращающего момента с контролем температуры
Основные особенности:
Напряжение тока: 100~240V
Частота: 50/60 Hz
Сила: 300~500W
Скорость: 3500rpm
| Модель | Напряжение тока | Частота | Поляк | нулевая нагрузка | Максимальная эффективность | Другие | ||||
| скорость | настоящий | скорость | вращающий момент | сила входного сигнала | Эффективность | уровень изоляции | ||||
| DC V | Hz | RPM | RPM | kg.cm | W | |||||
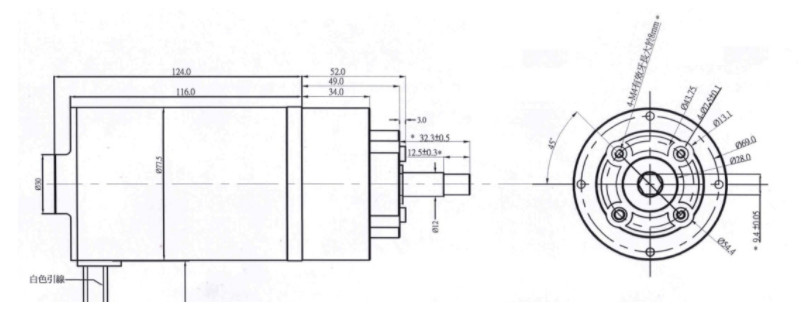
| D5370 | 220 | 50/60 | 2P | 2500-4500 | 50-100 | 3700 | 4,3 | 100-300 | 70-75% | B |
Этот мотор DC постоянного магнита главным образом использован в disposers отхода кухни/вывозе мусора. Возникновение восхитительно и уникально. Ключевая часть disposer отброса двигатель и задавливая резец. Двигатель сразу влияет на эффективность машины. Этот небольшой мотор DC выбор большинств ненужных изготовителей disposer. Почему? Прежде всего, большинств изготовители disposer бытовых отходов выберут DC постоянного магнита едут на автомобиле из-за их небольшого размера. Secondly, небольшие моторы DC имеют характеристики простой структуры, большого вращающего момента, и высокой эффективности.


О нас
CO. технологии Шэньчжэня Secore, Ltd профессионально приниманнсяые за различные моторов как безщеточные моторы dc, высоковольтные почищенные щеткой моторы dc, моторы шестерни, интегрирует НИОКР, массовое производство, продажи и обслуживание с 25 постными производственными линиями (в настоящее время 3 автоматическими производственными линиями), ежемесячная емкость непрерывных растущих 3 миллиона блоков и ежегодные средние продажи оценивают 40 миллионов доллары.


Типичное применение:
| Выбивая мотор машины | медленный мотор juicer | мотор двери крена |
| мотор печатной машины | мотор робота более чистый | мотор двери скольжения |
| мотор шестерни печи | мотор двери | Мотор камеры PTZ |
| телескопичный мотор штанги | вентиляторный двигатель | мотор газонокосилки |
| мотор стула массажа | мотор занавеса | медицинский мотор робота |