Подгонянный мотор шестерни DC 5RPM 3V 12V низкоскоростной пластиковый для вращаясь света
Мотор шестерни DC Planstic LV применяется для CD плееров, игрушек секса, личной заботы, оборудования красоты, продуктов здоровья, игрушек, модельных воздушных судн
| МОДЕЛЬ | НАПРЯЖЕНИЕ ТОКА | НУЛЕВАЯ НАГРУЗКА | ПРИ МАКСИМАЛЬНОМ ЭФФЕКТИВНОСТЬ | СТОЙЛ | ||||||||
| РАБОЧИЙ ДИАПАЗОН | НОМИНАЛЬНЫЙ | СКОРОСТЬ | ТЕЧЕНИЕ | СКОРОСТЬ | ТЕЧЕНИЕ | ВРАЩАЮЩИЙ МОМЕНТ | ВЫХОД | ВРАЩАЮЩИЙ МОМЕНТ | ТЕЧЕНИЕ | |||
| r/min | r/min | mN.m | g.cm | W | mN.m | g.cm | ||||||
| SC30-06950 | 2.0-4.0 | 3 | 1,72 | 0,011 | 1,1 | 0,021 | 72,7 | 741,8 | 0,1 | 204,2 | 2083 | 0,034 |
| SC30-06930 | 9.0-13.0 | 12 | 6,51 | 0,045 | 4,2 | 0,081 | 268,3 | 2736,3 | 0,12 | 748 | 7630 | 0,145 |

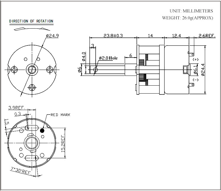
Размеры мотора шестерни:
