VSM20B-48S не плененный линейный stepper мотор с диаметром 20mm.
Мы имеем 3 различных дизайна вала: включая плененное/Не-пленник/внешний привод
Плененный мотор: исправлен вал, оно не может вращать, вал может только сделать линейное движение.
мотор Не-пленника: вал может сделать и вращательное и линейное движение. Для работы свойственной, потребитель исправить вал. Потребитель использовать анти--закручивая механизм для того чтобы остановить мотор от закручивать, в противном случае мотор вращает напрасно.
Внешний привод: Вал запирается с ротором мотора, вал может только вращать, не может сделать линейное движение. Он приходит с пластиковой гайкой. Потребители могут собрание их компонент на пластиковой гайке.
Потребители могут скомплектовать соответствующий дизайн вала основанный на различном требовании к дизайна.
Другие параметры, как угол шага, расклассифицированные напряжение тока, сопротивление катушки и длина все вала ориентированный на заказчика.
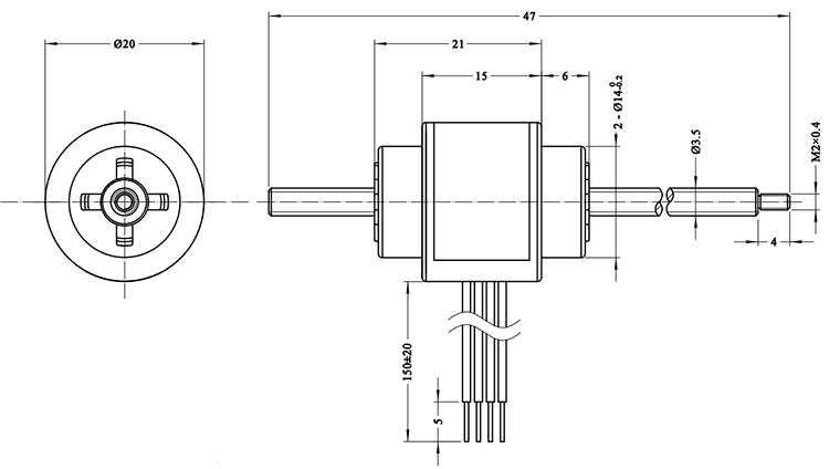
Дизайн вала мотора:

| Тип мотора | Линейный stepper мотор |
| Тип вала | Не-пленник |
| Диаметр мотора | 20mm |
| Расклассифицированная сила | 3.4W |
| Расклассифицированное напряжение тока | DC 5V |
| Течение участка | 370mA/pahse |
| Сопротивление участка | 13.5Ω/phase |
| Индуктивность участка | 6 mH/phase |
| Угол шага | 7.5°/step |
| Руководство винта | 0.6096mm (ориентированный на заказчика) |
| Длина шага | 0.0127mm/step |
| Длина экипажа руководств | 47 mm (ориентированный на заказчика) |
| Участок нет. | 2 участка |
| Управлять методом | 2-2 возбуждение |

Диаграмма тяги против скорости (PPS):

Конкурентное преимущество
Высококачественный и самый лучший цена.
Быстро поставьте, компания хранения и богатый инвентарь
Около порта Шанхая, движение очень удобно.
Представление детали продукта
