Микро-слайдерный винтовой шаговый двигатель 10 мм 5VDC мини-линейный шаговый двигатель для точной регулировки фокусировки прибора
VSM10198 микроскопический двигатель широко используется в камерах, оптических приборах, линзах, высокоточных медицинских устройствах, автоматических дверных замках и других областях из-за его небольшого размера, высокой точности,Легкая управляемость и другие отличные характеристики.
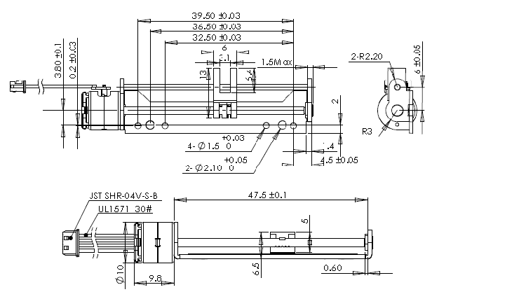
Эффективное движение ведущего винта двигателя составляет 40 мм, ведущий винт - M2P0.4, основной угол шага двигателя составляет 18 градусов, и двигатель работает 20 шагов каждую неделю.Винт с винтовой наклоной 0.4 мм выходной валы поддерживается скользящим механизмом и винтом для вращения в тягу.
Часть ввода двигателя FPC может быть изменена в виде подключения проволочного булава, PCB и т. Д. В соответствии с требованиями клиента.
Монтажная кронштейн может быть настроена в соответствии с требованиями клиента, и черный слайдер форма на двигателе также может быть разработан и разработан в соответствии с установкой клиента

| Название продукта | Микролинейный шаговый двигатель 10 мм |
| Модель | VSM10198 |
| Максимальная частота начала | 1000 ППС в минуте (AT 3,3 В постоянного тока) |
| Максимальная частота спуска | 1200 ППС в минуте (AT 3,3 В постоянного тока) |
| Втягивающий момент | 3.5gf-cm min. (AT 500 PPS, 3.3V DC) |
| Вывод крутящего момента | 4.5gf-cm min. (AT 500 PPS, 3.3V DC) |
| Класс изоляции | КЛАСС Е для катушек |
| Изоляционная прочность | 300 Вт переменного тока на одну секунду |
| Устойчивость к изоляции | 50 MΩ (DC 100 V) |
| Степень температуры работы | -20 ~ +70 °C |
| OEM и ODM услуги | Доступно |
| Название продукта | Микролинейный шаговый двигатель 10 мм |




Конструкция мотора может быть скорректирована в соответствии с требованиями клиента, включая:
Диаметр мотора: у нас есть моторы диаметром 6 мм, 8 мм, 10 мм, 15 мм и 20 мм
Сопротивление катушки/номинальное напряжение: сопротивление катушки регулируется, и с более высоким сопротивлением номинальное напряжение мотора повышается.
Дизайн брекета/длина свинцового винта: если заказчик хочет, чтобы брекет был длиннее/коротче, с специальной конструкцией, такой как монтажные отверстия, он регулируется.
PCB + кабели + соединитель: конструкция PCB, длина кабеля и ширина соединителя регулируются, их можно заменить на FPC, если это потребуется клиентам.
Время проведения выборки проб:
Стандартные двигатели на складе: в течение 3 дней
Стандартные двигатели, не имеющиеся на складе: в течение 15 дней
Продукты на заказ: около 25 ~ 30 дней (в зависимости от сложности настройки)
Время производства для создания новой формы: обычно около 45 дней
Время проведения массового производства: на основе количества заказов
Опаковка:
Образцы упаковываются в пенопласт с бумажной коробкой, отправляются экспресс
Массовое производство, двигатели упакованы в картонные коробки с прозрачной пленкой снаружи. (перевозка воздушным транспортом)
При перевозке морским транспортом товар будет упакован на поддоны

Для образцов и авиаперевозок мы используем Fedex/TNT/UPS/DHL.(5-12 дней для экспресс-сервиса)
Для морской перевозки, мы используем нашего агента по доставке, и корабль из Шанхайского порта.(45 ~ 70 дней для морской перевозки)
1- Вы производитель?
Да, мы изготовитель, и мы производим в основном шаговые двигатели.
2- Где находится ваша фабрика?
Наш завод расположен в Чанчжоу, Цзянсу. Да, вы очень рады посетить нас.
3Вы можете предоставить бесплатные образцы?
Нет, мы не предоставляем бесплатные образцы.
4Кто оплачивает доставку? Могу ли я воспользоваться своим счетом?
Клиенты оплачивают стоимость доставки. Мы процитируем вам стоимость доставки.
Если вы думаете, что у вас есть более дешевый/более удобный способ доставки, мы можем использовать ваш счет доставки.
5- Какой у вас MOQ?
У нас нет MOQ, и вы можете заказать только один образец.
Но мы рекомендуем вам заказать немного больше, на случай, если двигатель будет поврежден во время тестирования, и вы можете иметь резервную копию.
6Мы разрабатываем новый проект, вы предоставляете услуги по настройке?
У нас более 20 лет опыта в индустрии шаговых двигателей.
Мы разработали много проектов, мы можем предоставить полный набор настройки от чертежа дизайна до производства.
Мы уверены, что мы можем дать вам несколько советов / предложений для вашего шагового двигателя проекта.
Если вы беспокоитесь о конфиденциальности, да, мы можем подписать контракт на неразглашение.
7- Вы продаете водителей?
Да, мы продаем драйверы, они подходят только для временных испытаний, не подходят для массового производства.
Мы не производим драйверы, мы производим только шаговые двигатели