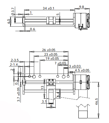
VSM1069 представляет собой высокоточный микроступенчатый мотор с винтовым уклоном 0,4 мм на выходном вале, который поддерживается винтом и винтом для вращения в тягу.
Основной угол шага мотора составляет 18 градусов, и он выполняет 20 шагов в неделю, поэтому разрешение смещения может достигать 0,02 мм, достигая точного управления.
Для удовлетворения требований привода применяется метод разделения привода.
Благодаря своим отличным характеристикам, таким как небольшие размеры, высокая точность и легкое управление, этот микростеппер широко используется в таких областях, как камеры, оптические инструменты, линзы,высокоточные медицинские изделия, и автоматические замки дверей.
Провода соединения входной части двигателя могут быть изменены на конечные штифты, FPC и другие формы в соответствии с потребностями клиента.


VSM1069 - это специальный драгоценный микростеппер-мотор (или скажем, линейный степпер-мотор) с скобком и толчком,
скорость движения может контролироваться частотой импульса движения микростеппера, расстояние движения может контролироваться номером импульса движения микростеппера.для этого типичного двигателяПри движении двигателя 2-2 фазы, 1 импульс заставляет слайд двигаться на 0,02 мм. Для этого типа двигателя, основной слайд представляет собой золотистый цветный блок, как показано на фото,Также слайд может настройки в любом другом материале или форме.
Интеллектуальные продукты безопасности
Объективы камеры
Ключи от дверей
Носимое устройство
|
Модель No. |
VSM1069 |
|
Сопротивление катушки |
15±10% Омм |
|
Номинальное напряжение |
30,0 В |
|
Количество фаз |
2 фазы |
|
Угол шага |
18° |
|
Максимальная частота запуска |
800 ППС в минуту, ((AT 3,0 V DC) |
|
Максимальная частота поворота |
2000 PPS min, ((AT 3,0 V DC) |
|
Притягивающий момент |
3.0 gf-cm min ((AT 500 PPS,30,0 В постоянного тока) |
|
Вытащить крутящий момент |
30,8 gf-cm min ((AT 500 PPS),30,0 В постоянного тока) |
|
Класс изоляции |
КЛАСС Е для катушек |
|
Прочность изоляции |
300 Вт переменного тока на одну секунду |
|
Сопротивление изоляции |
50mΩ ((DC 100 В) |
|
Операционная температура |
-20~70°C |
Высокое качество и лучшая цена.
Конкурентное преимущество


Способ ввода двигателя с типом булавки, FPC, PCB, свинцовой проволокой и т.д.
Они могут быть настроены в соответствии с потребностями клиента.

Подробная презентация продукта

