VSM10152 представляет собой высокоточный винтовой двигатель диаметром 10 мм с винтом на 0,4 мм на выходном вале. Винт поддерживается винтом и вращается в тягу.
Угол шага двигателя составляет 18 градусов, и двигатель работает 20 шагов в неделю, поэтому разрешение смещения может достигать 0,02 мм, достигая точного управления.
Для удовлетворения требований привода применяется метод разделения привода.
Наша команда имеет более чем 10-летний опыт разработки, разработки и производства шаговых двигателей, и может достичь разработки продукта и вспомогательного дизайна на основе специальных потребностей клиентов!
Потребности клиента - это наши усилия, пожалуйста, не стесняйтесь связаться с нами!


Интеллектуальные продукты безопасности
Объективы камеры
Ключи от дверей
Носимое устройство
| Наименование продукта | 10 мм микроступенчатый двигатель | |||
| Модель | VSM10152 | |||
| Номинальное напряжение | 3.3В | |||
|
Сопротивление катушки |
10±10% омм |
|||
|
Количество фаз |
2 фазы |
|||
|
Угол шага |
18°/ступень |
|||
|
Максимальная частота начала |
1000 ППС в минуте (AT 3,3 В постоянного тока) |
|||
|
Максимальная частота спуска |
1200 ППС в минуте (AT 3,3 В постоянного тока) |
|||
|
Втягивающий момент |
3.5 gf-cm min. (AT 500 PPS, 3.3V DC) |
|||
|
Вывод крутящего момента |
4.5gf-cm min. (AT 500 PPS, 3.3V DC) |
|||
|
Класс изоляции |
КЛАСС Е для катушек |
|||
|
Изоляционная прочность |
300 Вт переменного тока на одну секунду |
|||
|
Устойчивость к изоляции |
50 MΩ (DC 100 V) |
|||
|
Степень температуры работы |
-20~+70°C |
|||
|
OEM и ODM услуги |
Доступно |
|||
Конкурентное преимущество
Способ ввода двигателя с типом булавки, FPC, PCB, свинцовой проволокой и т.д.
Они могут быть настроены в соответствии с потребностями клиента.

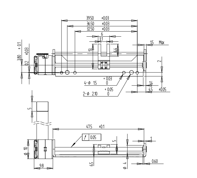
На рисунке показаны обычные модели, а специальные размеры можно настроить.


