25BYJ412-3L шаговый мотор в основном используется в области принтера, клапана, управления жидкостью, управления положением и т. Д. Этот мотор имеет характеристики небольшого размера, высокой точности и высокой прочности.
Степной двигатель имеет встроенную коробку передач для уменьшения скорости, чтобы достичь соотношения уменьшения в 1:10, улучшить крутящий момент, и, наконец, использовать выходной эжектор
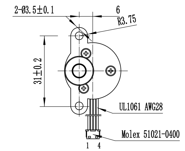
Самое большое отличие этой версии, это то, что расстояние между двумя отверстиями на вершине этого двигателя короткое.клиенты могут выбрать версию, соответствующую их потребностям.)

Расстояние между центрами двух отверстий составляет 31 мм.


Типичные применения
| Наименование продукта | 25 мм шаговый мотор с коробкой передач |
| Модель | 25BYJ412-1L |
| Сопротивление | 100 mΩ±7%/фаза |
| Частота начала | 500 pps, 400 PPS min. (AT 5V DC) |
| Частота ответа | 900 pps, 450 PPS минимум (AT 5V DC) |
| Сдерживающий момент | 29.4 мН.м |
| Диапазон рабочей температуры | -0~+55 °C |
| OEM и ODM услуги |
Доступно |
О скоростных шаговых двигателях
1Продолжительность жизни L10 Продолжительность жизни при 30°C: 20 часов Условия испытания TBD
2. EMC. EN стандарт EN 61000 (ETSI EN 300 220-1ETSI EN 300 220-2)
3Уровень шума: (200-600 Гц) максимум TBD (A).
4. Строительство в направлении: вертикальное и горизонтальное
5Температура окружающей среды: +50°C
6Температура хранения: от 20 до + 50 °С.
7.Одобрение: ROHS
8Влажность воздуха: 20-80%
9Тип жира: Т-21
10Поставщик жиров: JABGER
Тип соединения
Способ ввода двигателя с видом булавки, FPC, PCB, свинцовой проволокой и т.д.
Они могут быть настроены в соответствии с потребностями клиента.


На рисунке показаны обычные модели, а специальные размеры можно настроить.


