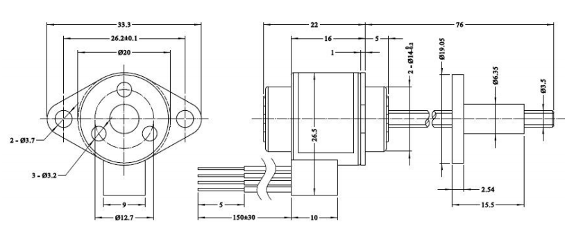
Этот мотор SM20-021L stepper специфически конструирован для линейного применения движения, с винтом руководства.
Мы имеем 2 - угол шага: 7,5 градуса, водит тангаж 0.6096mm.
Для 7,5 градусов, каждый круг 48 шагов, которые значат движения каждого винта руководства шага 0.0127mm.
Этот мотор 20mm stepper наш запатентованный продукт. Он преобразовывает вращение мотора в линейное движение винта руководства. Он главным образом использован в высокой точности.
Типичные применения:
* медицинское оборудование
* линейный робототехнический контроль
* тарировка точности
* клапан высокой точности
* другое точное движение положения
Добавочный tt имеет дополнительную малошумную и высокую стабильность.


| ИМЯ RODUCT | Мотор PM20 5v линейный stepper |
| МОДЕЛЬ | Тип SM20-021L-External |
| СОПРОТИВЛЕНИЕ | 13Ω±10% |
| Вытяните внутри частоту | 600PPS |
| ТЯГА МАРК | 20N |
| индуктивность | 4.5REF (mH) |
| Устанавливать апертуру | φ3.7mm (через отверстие) |
| Осевая высота | 35 mm ориентированный на заказчика |
| КЛАСС ИЗОЛЯЦИИ | класс e |
| wrie руководства | UL 1061 AWG26 |
Диаграмма тяги против скорости (PPS):

Конкурентное преимущество
Высококачественный и самый лучший цена.
Быстро поставьте, компания хранения и богатый инвентарь
Около порта Шанхая, движение очень удобно.
Представление детали продукта

