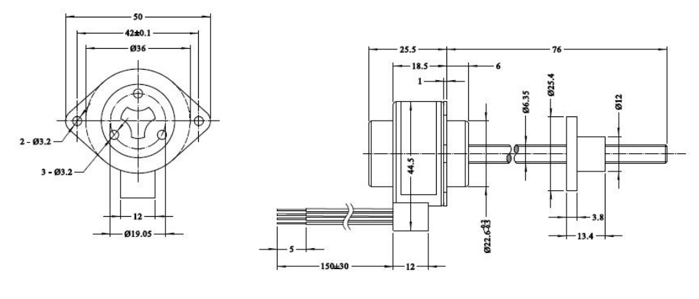
Этот шаговый двигатель SM20-021L специально разработан для применения линейного движения, с свинцовым винтом.
У нас два угла шага: 7,5 градуса, опорный откос 0,6096 мм.
Для 7,5 градусов, каждый раунд составляет 48 шагов, что означает, что каждый шаг ведущий винт движется 0,0127 мм.
Этот 20-мм шаговой мотор - наш запатентованный продукт. Он преобразует вращение двигателя в линейное движение свинцового винта. Он в основном используется в высокой точности.
Типичные применения:
* Медицинское оборудование
* Линейное роботизированное управление
* Точная калибровка
* Высокоточный клапан
* Другие движения с точной позицией
Плюс к этому TT имеет очень низкий уровень шума и высокую стабильность.


| Название РОДУКТА | PM36 5-12в Линейный шаговый двигатель |
| Модель | SM36-021L-Внешний тип |
| Сопротивление | 9Ω±10% |
| Втягивайте частоту | 600 ППС |
| ОТЧЕНИТЕЛЬНОЕ ПРИЗНАНИЕ | 20N |
| индуктивность | 4.5REF (mH) |
| Апертура крепления | φ3,7 мм (через отверстие) |
| Высота оси | 35 мм настраиваемый |
| Класс изоляции | класс E |
| Свинцовый сверток | UL 1061 AWG26 |
Диаграмма тяги против скорости ((PPS):

Конкурентное преимущество
Высокое качество и лучшая цена.
Быстрая доставка, складская компания и богатый запас.
Рядом с портом Шанхая очень удобное движение.
Подробная презентация продукта

