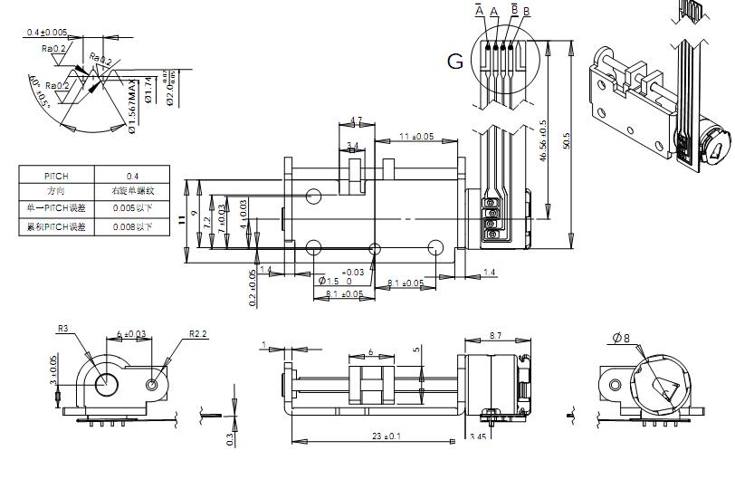
VSM0806 мотор шага точности микро-, вал выхода с тангажом 0.4mm из винта, через винт и штангу винта поддерживая поворот винта в тягу.
Угол основного шага мотора 18 градусов, мотор бежать 20 шагов каждую неделю, поэтому разрешение смещения может достигнуть 0.02mm, для того чтобы достигнуть цели управления точности.
Аспекты привода используя путь привода подразделения встретить.
Из-за своих небольшого размера, высокой точности, легких для того чтобы контролировать и другие превосходные характеристики, поэтому этот микро- stepper мотор широко использованы в камере, оптических инструментах, объективах, медицинских службах точности, автоматических замках и других полях.
Часть входного сигнала мотора FPC, но может согласно покупательскому спросу можно изменить на соединяясь линию иглу, PCB и другие формы.
Кронштейн можно изменить согласно запросу клиента.


Умные продукты безопасностью
Объективы фотоаппарата
Замки
Пригодный для носки прибор
| Название продукта | мотор 10mm микро- stepper | |||
| Модель | VSM0806 | |||
| Расклассифицированное напряжение тока | 3.3V | |||
| Течение в участок | 150 мам /phase | |||
| Сопротивление катушки | 20 Ω±7% | |||
| Нет. участка | 2 участка | |||
| Угол шага | 18 градусов | |||
| Метод возбуждения | Возбуждение 2 участков | |||
| Режим привода | Двухполярный привод | |||
| Срабативани вращающий момент | 1,5 gf.cm на 500 pps | |||
| Вращающий момент вырывания | 2,0 gf.cm на 500 pps | |||
| Максимальн Ответ Частота | 800 pps, | |||
| Максимальный. Начало частоты | 2000 pps, | |||
| Класс изоляции | Класс e для катушек | |||
| Прочность изоляции | AC 100 v на одна секунда | |||
| Сопротивление изоляции | 1,0 MΩ (DC 100 V) | |||
| Температурная амплитуда рабочей температуры | -10~+60 ℃ | |||
| Вес | 5,5 g (REF.) | |||
| OEM & ОБСЛУЖИВАНИЕ ODM | ДОСТУПНЫЙ | |||
Конкурентное преимущество


Метод ввода мотора с типом Pin, FPC, PCB, подводящим проводом etc.
Эти можно подгонять согласно потребностям клиента.

Представление детали продукта
