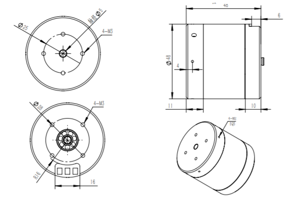
Название продукта: Подводный подводный мотор снаряжения для подводного плавания пропеллера SW4025
Марка товара: SUMAX
Преимущества продукта: стабилизированное представление, продолжительные круиз, светлый и чувствительный, и широко использованный
Польза продукта: Широкий диапазон применений в радиотехнической аппаратуре точности, оборудовании автоматизации, воде и подводном оборудовании, трутнях воздушных судн модельных и умных роботах


Технические особенности
| Модель: | SW4025 | |||
| Вес: | 310g | |||
| Разгруженное течение: | 0.25A/11.1V | |||
| Расклассифицированное напряжение тока: | 11.1V | |||
| Расклассифицированное течение: | 6A | |||
| Расклассифицированная сила: | 100W | |||
| Электрическое сопротивление (трехфазное): | 0.55Ω±5% | |||
| Индуктивность мотора: | 60.5uH | |||
| Номинальный вращающий момент: | 0.25N.M | |||
| Расклассифицированное напряжение тока: | 11.1V | |||
| Диэлектрическая прочность: | AC300V/60s ≤5mA, отсутствие нервного расстройства на моторе | |||
| Сопротивление давления: | 1.5Mpa, отсутствие утечка в моторе и провод | |||

Инструкции для пользы



