Этот продукт тела шагая мотора точности диаметр 6MM микро- наружный, длина тела 7MM, диаметр 1MM вала наружный, длину вала можно соотвественно изменить согласно потребностям, и может быть оборудована с шестернями, шкивами, червями, штангами винта, приспособлением для вывода etc.
Мотор имеет угол основного шага 18 градусов и мотор бежит 20 шагов в неделю.
Из-за своих небольшого размера, высокой точности и легкого контроля, этот микро- шагая мотор широко использован в камерах, оптических инструментах, объективах, электрофонарях, оборудовании точности медицинском, автоматических замках и других полях.


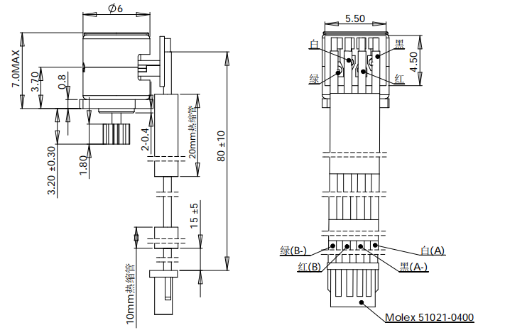
Часть входного сигнала мотора показана как 4 иглы, но ее можно использовать в различных формах как PCB, FPC, и соединяясь линия согласно требованиям клиента.
Размер и форму установленного плато можно изменить согласно требованиям клиента.
В то же время, мы можем соответствовать соответствуя управляющему устройству для того чтобы отвечать потребностямы клиентов!
Наша команда имеет больше чем 10 лет дизайна stepper мотора, развития и опыта продукции, поэтому мы можем достигнуть совершенствованих продукций и вспомогательного дизайна согласно особенным потребностям клиентов! Клиенту наши усилия, пожалуйста чувствует свободным контактировать!
Умные продукты безопасностью
Объективы фотоаппарата
Замки
Пригодный для носки прибор
| Название продукта | мотор 6mm микро- stepper | |||
| Модель | VSM0613 | |||
| Расклассифицированное напряжение тока | 3.3V | |||
| Течение в участок | 200mA /phase | |||
| Сопротивление катушки | 18Ω±7% | |||
| Нет. участка | 2 участка | |||
| Угол шага | 18 градусов | |||
| Метод возбуждения | Возбуждение 2 участков | |||
| Режим привода | Двухполярный привод | |||
| Срабативани вращающий момент | Больше чем 0.8gf.cm на 800 pps | |||
| Вращающий момент вырывания | Больше чем 1.0gf.cm на 800 pps | |||
| Шум | 45dB (максимальное) | |||
| Максимальн Ответ Частота | Больше чем 1300 pps, нулевая нагрузка | |||
| Максимальный. Начало частоты | Больше чем 2500 pps, нулевая нагрузка | |||
| Класс изоляции | Класс e для катушек | |||
| Прочность изоляции | AC 100V на одна секунда | |||
| Сопротивление изоляции | 1MΩ (минута) | |||
| Температурная амплитуда рабочей температуры | -10~+60℃ | |||
| Вес | 1.58g (REF.) | |||
| OEM & ОБСЛУЖИВАНИЕ ODM | ДОСТУПНЫЙ | |||
Конкурентное преимущество




Тип провода подключает для ссылки
Метод ввода мотора с типом Pin, FPC, PCB, подводящим проводом etc.
Эти можно подгонять согласно потребностям клиента.

Регулярные модели показаны в диаграмме, и особенные размеры можно подгонять.
