Наши серии шаговых двигателей: 20 мм, 28 мм, 35 мм, 39 мм, 42 мм, 57 мм, 60 мм, 86 мм, 110 мм, 130 мм. Двухфазный, трехфазный и четырехфазный гибридный шаговый мотор. Дисплей безстыковой двигателя включает 42BLS,57BL ((S), 86BLS, и совпадающие DC бесшовные драйверы.
Таким образом, продукция соответствует требованиям ROHS. Приложения включают робототехнику, промышленное электронное оборудование автоматизации, медицинское оборудование, рекламное оборудование, печатное оборудование,текстильные машины и т.д.. Экспортируется в США, Германию, Италию, Испанию, Великобританию, Мексику, Бразилию и другие более чем 20 стран.

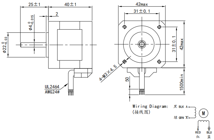
Механические размеры: мм

Типичные применения
Спецификации
| Положение | Спецификация |
| Степь Ангел | 00,9° |
| Повышение температуры | 80°C максимум |
| Температура окружающей среды | -20°C~+50°C |
| Сопротивление изоляции | 100Ω Min.,500VDC |
| Диэлектрическая прочность | 500ВАК в течение 1 минуты |
| Радиальная игра вала | 0.02 Максимальная нагрузка 450 г) |
| Аксиальная игра вала | 0.08 Максимальная нагрузка 450 г. |
| Максимальная радиальная сила | 28N ((20 мм от фланца) |
| Максимальная осевая сила | 10N |
| Модель No. | Угол шага (°) | Длина двигателя (мм) | Текущий/Фаза А | Сопротивление /Фаза Ω | Индустанция/фаза mH | Торковый момент в кг.см. | - Нет, нет. | Сдерживающий момент g.cm | Инерция ротора g.cm2 | Масса в кг |
| 42HS25-0404 | 1.8 | 25 | 0.4 | 24 | 36 | 1.8 | 4 | 75 | 20 | 0.15 |
| 42HS28-0504 | 1.8 | 28 | 0.5 | 20 | 21 | 1.5 | 4 | 85 | 24 | 0.22 |
| 42HS34-1334 | 1.8 | 34 | 1.33 | 2.1 | 2.5 | 2.2 | 4 | 120 | 34 | 0.22 |
| 42HS34-0406 | 1.8 | 34 | 0.4 | 24 | 15 | 1.6 | 6 | 120 | 34 | 0.22 |
| 42HS34-0956 | 1.8 | 34 | 0.95 | 4.2 | 2.5 | 1.6 | 6 | 120 | 34 | 0.22 |
| 42HS40-0406 | 1.8 | 40 | 0.4 | 30 | 30 | 2.6 | 6 | 150 | 54 | 0.28 |
| 42HS40-1684 | 1.8 | 40 | 1.68 | 1.65 | 3.2 | 3.6 | 4 | 150 | 54 | 0.28 |
| 42HS40-1206 | 1.8 | 40 | 1.2 | 3 | 2.7 | 2.9 | 6 | 150 | 54 | 0.28 |
| 42HS48-0406 | 1.8 | 48 | 0.4 | 30 | 25 | 3.1 | 6 | 260 | 68 | 0.38 |
| 42HS48-1684 | 1.8 | 48 | 1.68 | 1.65 | 2.8 | 4.4 | 4 | 260 | 68 | 0.38 |
| 42HS48-1206 | 1.8 | 48 | 1.2 | 3.3 | 2.8 | 3.17 | 6 | 260 | 68 | 0.38 |
| 42HS60-0406 | 1.8 | 60 | 0.4 | 30 | 39 | 6.5 | 6 | 280 | 102 | 0.55 |
| 42HS60-1704 | 1.8 | 60 | 1.7 | 3 | 6.2 | 7.3 | 4 | 280 | 102 | 0.55 |
| 42HS60-1206 | 1.8 | 60 | 1.2 | 6 | 7 | 5.6 | 6 | 280 | 102 | 0.55 |
SТандрОсжиганиеВУсловия
| Нет, нет, нет. | ИТМ | Специальная группа. | ЕДИНСТВО | Примечания |
| 1 | Напряжение | 13.5 | VDC | |
| 2 | Фаза | 2 | Фаза | |
| 3 | Текущий | 0.5 /Фаза | А. | |
| 4 | Увлекательный режим | Биполярный | —— | Ссылка на схему привода |
| 5 | Угол шага | 1.8 | дег | ± 7% |
| 6 | Ротация | CW/CCW | —— |
Электрические характеристики
| Нет, нет, нет. | ИТМ | Специальная группа. | ЕДИНСТВО | Условия испытания | Примечания |
| 1 | Сопротивление | 27±10% | Ω | При 20°С | Каждый этап |
| 2 | Индуктивность | 48±20% | mH | При температуре 20°С 1000 Гц,0.3Vrms | Каждая фаза (Ref.) |
| 3 | Поддерживающий момент | 5500 мин. | g.cm | ||
| 4 | Диэлектрическая прочность | Максимум. | mA | 600ВАК, 1 секунда | |
| 5 | Сопротивление изоляции | Сто минут. | MΩ | 500 ВДС | Между катушкой и конечными колоколами |
| 6 | Класс изоляции | Катушка класса B |
|
||
|
7
|
Максимальная скорость вытягивания пульса
|
2500 pps и более | |||
| 8 |
Максимальная скорость пульса
|
1900 pps и более |
Механические характеристики
| Нет, нет, нет. | ИТМ | Специальная группа. | Условия испытания | Примечания |
| 1 | Сдерживающий момент |
250 г.см. 250 грамм. см (отношение) |
Каждый терминал открыт, никакого волнения. | |
| 2 | Внешний вид | Никаких повреждений и обесцвечивания, которые могут привести к отказу при стандартных условиях работы,при необходимости,представьте предельный образец, который соответствует друг другу. | ||
| 3 | Строительство | Ссылка на внешний чертеж в виде прилагаемого файла | ||
| 4 | Инерция ротора | 80 г.см.2 | ||
Еокружающей средыПУслуги
| Нет, нет, нет. | Положение | Работающий | Транспортировка/хранение |
| 1 | Температура | -25°C ≈40°C | -30°C ≈ 70°C |
| 2 | Влажность | 20~90% RH Неконденсирующий | 20~90% RH Неконденсирующий |
Вышеперечисленные продукты являются только репрезентативными моделями, мы можем настроить продукты в соответствии с требованиями клиентов.Включает длину и диаметр вала. Наша компания также может предоставить услуги OEM.
Кривая крутящего момента для справки


