Этот продукт главным образом использован для санитарных изделий, термостатического клапана, faucet горячей воды, автоматического регулирования подачи температуры воды и воды, etc.
В то же время, оно может осуществить другие поля которые требуют точного контроля. Должный к осуществлению управления незамкнутой сети, осуществлено недорогое управление положения.
Использованный в клапанах для впуска горючей смеси, клапанах очистителя воды, аппаратурах и других автоматических участках регулирования управления точности.
В то же время, внешнюю связывая проволокой часть можно использовать согласно требованиям клиента для различных типов и длин соединяясь линий, или FPC FFC.
Часть выхода можно использовать в различных путях как шестерни, шкивы, V-пазы и винты турбины.
Форму установленного плато и угол выхода можно отрегулировать согласно потребностям клиента!


Спецификации
| НАЗВАНИЕ ПРОДУКТА | Коробка передач шагая мотора 24BYJ48 премьер-министра | |||
| МОДЕЛЬ | 24BYJ48-26 | |||
| НАЧАЛО ЧАСТОТЫ | 400 PPS MIN. (НА DC 5V) | |||
| ИДУЩАЯ ЧАСТОТА | 450PPS MIN. (НА DC 5V) | |||
| ВРАЩАЮЩИЙ МОМЕНТ ЗАЩЕЛКИ | 29.4mN.m | |||
| СОПРОТИВЛЕНИЕ | 100MΩ±7%/phase | |||
| OEM & ОБСЛУЖИВАНИЕ ODM | ДОСТУПНЫЙ | |||
Около порта Шанхая, движение очень удобно.

Тип крышки приспособления
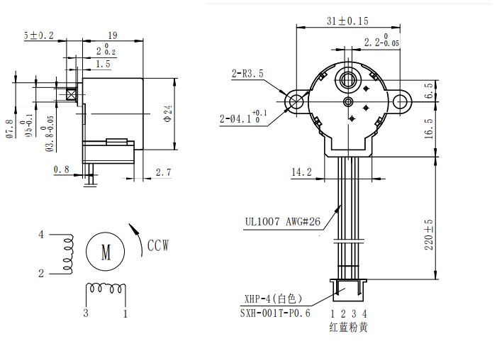
Регулярные модели показаны в диаграмме, и особенные размеры можно подгонять.

Метод ввода мотора с типом Pin, FPC, PCB, подводящим проводом etc.
Эти можно подгонять согласно потребностям клиента.
