
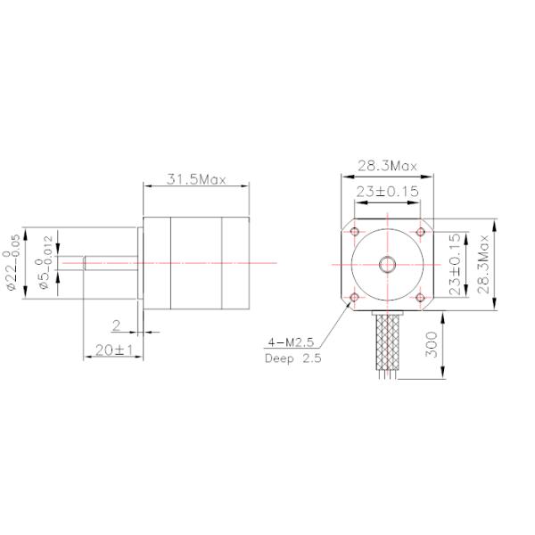
Механический размер: ММ

Типичные применения
Спецификации
Стандартные эксплуатационные режимы
| Нет. | ДЕТАЛЬ | СПЕЦИФИКАЦИИ. | ПРИМЕЧАНИЯ |
| 1 | Напряжение тока | 3,75 ВДК | |
| 2 | Напряжение тока источника | 24 ВДК |
Показывает напряжение тока это апплыс поставщика силы к цепи водителя. Она такое же как расклассифицированное напряжение тока когда мотор дривед на постоянн модели напряжения тока. |
| 3 | Участок | 2 - участок | |
| 4 | Расклассифицированное течение | 0,67 /Phase | Максимальное значение когда микростеп |
| 5 | Эксситинг режим | Двухполярный | См. возбуждающий контур |
| 6 | Угол шага | 1,8 дег | ±7% |
| 7 | Вращение | КВ/ККВ |
Электрические характеристики
| Нет. | ДЕТАЛЬ | СПЕЦИФИКАЦИИ. | УСЛОВИЕ ИСПЫТАНИЙ | ПРИМЕЧАНИЯ |
| 1 | Сопротивление | 5.6±10%Ω | На 20℃ | Каждый участок |
| 2 | Индуктивность | 4±20%мХ | На 1Хз, 0,3 Врмс | Каждый участок (РЭФ.) |
| 3 | Удержание вращающего момента |
≥710 г.км минута 710 g.cm |
||
| 4 | Вращающий момент защелки |
≤150 г.км 150 g.cm максимальное |
||
| 5 | Угол Аккуары шага | ±5% |
Постоянн настоящий водитель 12 в/двухфазового течение/скорость он/Ратед: 1ппс |
|
| 6 | Тариф ряда без нагрузки | -- |
Напряжение тока 24В/источника Расклассифицированный шаг куррент//Хальф |
|
| 7 | Срабативани тариф без нагрузки | -- |
Напряжение тока 24В/источника Расклассифицированный шаг куррент//Хальф |
|
| 8 | Диэлектрическая прочность |
мамы ≤1 мамы 1 максимальные. |
600ВАК, 1 второе | |
| 9 | Сопротивление изоляции |
≥100 МΩ 100 МΩмин. |
500ВДК | Между катушкой и ендбелльс |
| 10 | Класс изоляции | Класс б катушки | ||
| 11 | Повышение температуры | чем 80℃ |
Механические характеристики
| Нет. | ДЕТАЛЬ | СПЕЦИФИКАЦИИ. |
| 1 | Размеры плана | См. в техническом чертеже |
| 2 | Инерция ротора | 9 g.cm 2 |
| 3 | Вес | Около 0,11 кг |
| 4 | Осевой люфт вала | 0.08mm@500g.f |
| 5 | Радиальная игра вала | 0.02mm@500g.f |
Экологические показатели
| Нет. | ДЕТАЛЬ | РАБОТАТЬ | |
| 1 | Условия окружающей среды деятельности | Температура окружающей среды | -20℃~+50℃ |
| Окружающая влажность | 15~85%РХ отсутствие конденсации | ||
| 2 | Условия окружающей среды хранения | Температура окружающей среды | -30℃~+70℃ |
| Окружающая влажность | 15~85%РХ отсутствие конденсации | ||
Вышеуказанные продукты только репрезентивные модели, мы могут подгонять продукты согласно требованиям клиента. Включает длину и диаметр вала. Наша компания может также обеспечить обслуживания ОЭМ.

