

ВСМ1065 особенный драгоценный микро- степпер мотор (или скажите линейный степпер мотор) с кронштейном и нажимом,
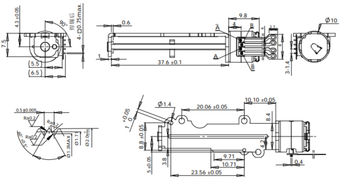
мовинг скорость может проконтролированный драгоценной микро- частотой возбуждающего импульса степпер мотора, мовинг расстояние может быть проконтролирована драгоценным микро- степпер номером возбуждающего импульса. для этого типичного мотора, когда мотор управляя участком 2-2, 1 ИМП ульс сделает скольжение двинуть 0,02 мм. фортхис печатают мотор, основное скольжение золотой блок цвета как шоу фото, также скольжение может изготовление на заказ в любых других материале или форме.
Умные продукты безопасностью
Объективы фотоаппарата
Замки
Пригодный для носки прибор
| Название продукта | мотор 10 мм микро- степпер | |||
| Модель | ВСМ1065 | |||
| Расклассифицированное напряжение тока | 5,0 в | |||
| Течение в участок | 250 мам /phase | |||
| Сопротивление катушки | 19 Ω±7% | |||
| Нет. участка | 2 участка | |||
| Угол шага | 18 градусов | |||
| Метод возбуждения | 2 - возбуждение участка | |||
| Управляйте режимом | Двухполярный привод | |||
| Срабативани вращающий момент | 4,0 gf.cm на 480 ппс | |||
| Вращающий момент вырывания | 5,8 gf.cm на 480 ппс | |||
| Максимальн Ответ Частота | 1100 ппс, на ДК 5,0 в | |||
| Макс. Начало частоты | 1800 ппс, на ДК 5,0 в | |||
| Класс изоляции | Класс е для катушек | |||
| Прочность изоляции | АК 300 в на одна секунда | |||
| Сопротивление изоляции | 50 МΩ (ДК 100 В) | |||
| Температурная амплитуда рабочей температуры | -20~+70 ℃ | |||
| Вес | 5,5 г (РЭФ.) | |||
| ОЭМ & ОБСЛУЖИВАНИЕ ОДМ | ДОСТУПНЫЙ | |||
Конкурентное преимущество


Ехать на автомобиле метод ввода с типом Пин, ФПК, ПКБ, подводящим проводом етк.
Эти можно подгонять согласно потребностям клиента.

Представление детали продукта



