Шаговый двигатель 25BYJ412-9L в основном используется в принтерах, клапанах, управлении жидкостями, управлении положением и других областях.Двигатель имеет характеристики небольшого размера, высокой точности и высокой прочности.
Шаговый двигатель имеет встроенный редуктор для достижения передаточного отношения 1:10 и увеличения крутящего момента.Наконец, используется шток выходного эжектора с стопорной конструкцией, так что плунжер может двигаться вперед и назад без вращения.нормальная тяга
До 10 кг.
В то же время для внешней части проводки можно выбрать различные типы и длины соединительных проводов или FPC FFC в соответствии с требованиями заказчика.Форма и выходной угол монтажной пластины могут быть отрегулированы в соответствии с потребностями клиента!
Наша команда имеет более чем 10-летний опыт проектирования, разработки и производства шаговых двигателей и может реализовать разработку продукта и вспомогательного дизайна в соответствии с особыми потребностями клиентов!Потребности клиентов - это наши усилия, пожалуйста, свяжитесь с нами!


Типичные области применения
| наименование товара | Редукторный шаговый двигатель 25 мм |
| Модель | 25BYJ412-9L |
| Сопротивление | 5 Ом ± 7 %/фаза |
| Режим вождения | 2-2 фаза |
| Угол шага | 7,5° |
| Самоустанавливающийся крутящий момент | 60 г. см (ссылка) |
| Диапазон рабочих температур | -20~+50 ℃ |
| ОБСЛУЖИВАНИЕ ОЕМ И ОДМ |
ДОСТУПНЫЙ |
Кривая крутящего момента для справки
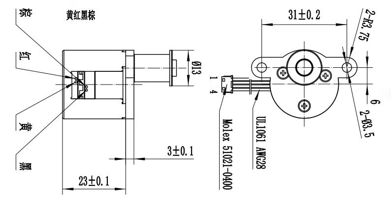
Тип проводного соединения
Метод ввода двигателя с типом контакта, FPC, PCB, подводящим проводом и т. Д.
Они могут быть настроены в соответствии с потребностями клиентов.


Обычные модели показаны на рисунке, а специальные размеры могут быть изменены.



Образцы упакованы с поролоновой губкой внутри бумажной коробки.
Для массового производства продукция упаковывается в картонную коробку.
Для морской доставки (массовое производство) коробки упаковываются на поддон.
Время доставки:
Экспресс (DHL/UPS/FedEx/TNT): 5~12 дней
4PX экспресс: 10~20 дней
Морская доставка: 40~60 дней (зависит от разных стран)