Этот спецификация применяется к МОТОРУ постоянного магнита ШАГАЯ, модельное имя SM25-048S-30G, это мотор stepper тип stepper мотор dia 25pm stepper, коэффициент уменьшения шестерни можно подгонять к стандарту 1:100 1:50 1:30 1:10, исправляя шестерня box.so что вращающий момент может более высоко для устанавливающ нас имеет 2 тип стандарт.


Технические особенности
Этот спецификация применяется к МОТОРУ постоянного магнита ШАГАЯ, модельное имя SM25-048S-303, это мотор stepper тип stepper мотор dia 25pm stepper, исправляющ шестерня box.so что вращающий момент может более высоко
для устанавливающ мы имеем 2 тип стандарт.
ЗАМЕЧЕННЫЙ:
Трансмиссионный передаточный вал можно сделать согласно требованию к клиента.
ПРИМЕНЕНИЯ:
Домашнее кондиционирование воздуха Applience
Санитарное холодильника умное
Автоматический монитор CCTV замка
Электронная аппаратура
| НАЗВАНИЕ ПРОДУКТА | 25mm зацепили stepper мотор |
| МОДЕЛЬ | SM25-048S-303 |
| СРАБАТИВАНИ ТАРИФ | 700 PPS |
| УДЕРЖАНИЕ ВРАЩАЮЩЕГО МОМЕНТА | 2000gf.cm |
| СОПРОТИВЛЕНИЕ | 20Ω±10% |
| ТЕМПЕРАТУРНАЯ АМПЛИТУДА РАБОЧЕЙ ТЕМПЕРАТУРЫ | -0~+55 ℃ |
| OEM & ОБСЛУЖИВАНИЕ ODM |
ДОСТУПНЫЙ |
Тип провода соединяется
Метод ввода мотора с типом Pin, FPC, PCB, подводящим проводом etc.
Эти можно подгонять согласно потребностям клиента.

Стандарт вала выхода следующим образом, также может customerized должное к чертежам потребителя
добро пожаловать для того чтобы связаться обслуживание клиента для больше типов

Круглый тип: DIA3mm. 4mm. 5mm
тип D-отрезка: DIA3-D2.5 DIA4-D3 etc
Тип винта: Сериал M3 M4 M5
Тип Trape
тип Я-отрезка: DIA3-I2 DIA4-I3
Другой тип: Вал с отверстием etc
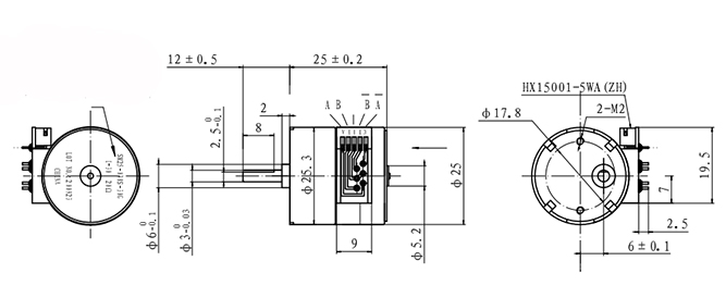
Регулярные модели показаны в диаграмме, и особенные размеры можно подгонять.

Бирка: