VSM08138 8-мм 2-фазный микрослайдер линейный шаговый двигатель 3.3V постоянный винтовой двигатель с скобком шагового двигателя
VSM08138 представляет собой точный микроступеневой мотор. Перекресток между выходной вал и винтом составляет 0,4 мм. Винт и винт поддерживают вращение винта для создания тяги.
Основной угол шага двигателя составляет 18 градусов, двигатель работает 20 шагов в неделю, а разрешение смещения может достигать 0,02 мм, достигая цели точного управления.
Для удовлетворения требований привода применяется режим разделения.
Из-за его небольшого размера, высокой точности, легкого управления и других отличных характеристик этот микроскопический двигатель широко используется в камерах, оптических приборах, линзах, прецизионном медицинском оборудовании,Автоматические замки дверей и другие поля.
Часть ввода двигателя является FPC, но она может быть изменена для подключения булавки, PCB и других форм в соответствии с потребностями клиента.
Подвеска может быть заменена в соответствии с требованиями заказчика.
Наша команда имеет более чем 10-летний опыт разработки, разработки и производства шаговых двигателей, и может реализовать разработку продукта и вспомогательный дизайн в соответствии со специальными потребностями клиентов!
Потребности клиентов - это наши усилия, пожалуйста, не стесняйтесь связаться с нами!

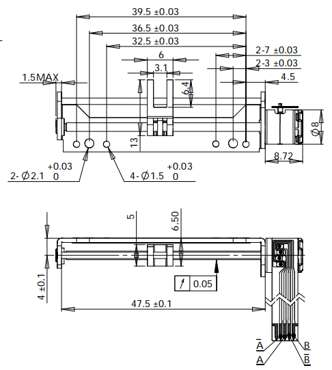
Механические размеры: мм

Типичные применения
Спецификации
| Наименование продукта |
8 мм микроступенчатый двигатель |
| Модель |
VSM10138 |
| Номинальное напряжение |
3.3В постоянное |
|
Сопротивление катушки
|
16Ω±10%
|
|
Количество фаз
|
2 фазы
|
|
Угол шага
|
18°/ступень
|
|
Максимальная частота начала
|
800 ППС в минуте (AT 3,3 В постоянного тока)
|
|
Максимальная частота спуска
|
1200 ППС в минуте (AT 3,3 В постоянного тока)
|
|
Втягивающий момент
|
1.5 gf-cm min. (AT 500 PPS, 3.3V DC)
|
|
Вывод крутящего момента
|
2.0gf-cm min. (AT 500 PPS, 3.3V DC)
|
|
Класс изоляции
|
КЛАСС Е для катушек
|
|
Изоляционная прочность
|
100В переменного тока на одну секунду
|
|
Устойчивость к изоляции
|
1 MΩ (DC 100 V)
|
|
Степень температуры работы
|
-20~+70°C
|
|
OEM и ODM услуги
|
Доступно
|
Конкурентное преимущество
- Высокое качество и лучшая цена.
- Быстрая доставка, складская компания и богатый запас.
- Рядом с портом Шанхая очень удобное движение.
Подробная презентация продукта