Это шаговый мотор с постоянным магнитом диаметром 24 мм с коробкой передач с коэффициентом передач 86.4:1.
Это 4-фазный 5-проводный однополярный двигатель.
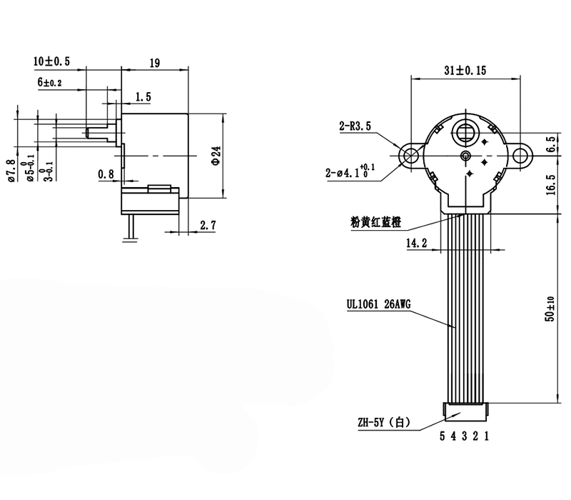
Красный кабель - это общий провод в середине каждой фазы.
Рабочая температура окружающей среды 105°C, изоляционный класс B
Выпускная коробка изготовлена из ПБТ материала, все металлические шестерени
Вся машина должна соответствовать требованиям компании "Регламенты по управлению материалами охраны окружающей среды"
Этот мотор недорогой и надежного качества, и широко используется в промышленности бытовой техники, таких как кондиционеры, умные домашние системы и умные туалеты.
Кроме того, мы также предоставляем индивидуальные услуги по коэффициентам передач, сопротивлению катушек, количеству фаз и типам соединителей.
Если вам понадобится, вы можете связаться со мной в любое время.
| Наименование продукта | Мотор 24BYJ48 | |||
| Модель No. | 24BYJ48-612 | |||
| Номинальное напряжение | 5 В постоянного тока | |||
| Фаза No. | 4 фазы | |||
| Сопротивление (25°C) | 60Ω/фаза±7% | |||
| Угол выхода шага | 5.625°/86.4 | |||
| Соотношение передач | 1:86.4 | |||
| Крутящий момент | ≥ 55mN.m (5 V 100 PPS) | |||
| Частота разгрузки и втягивания | ≥ 500 Гц | |||
| Частота разгрузки и вывода | ≥ 900 Гц | |||
| Сопротивление изоляции | ≥ 100 мΩ | |||
Модель No: 24BYJ48
Угол шага: ((1-2 фазы привода) 5,625°/64; (2-2 фазы привода) 11,25°/шаг
Соотношение передач: 16:1 / 25:1 / 32:1 / 48.8У нас есть только один шанс.1
Настраиваемые элементы:
Напряжение:5~24V; отношение передач, материал передач, выходной вал, конструкция крышки двигателя
|
Напряжение (V) |
Сопротивление (Ω) |
Втягивающий крутящий момент 100 ППС (mN*m) |
Сдерживающий момент (mN*m) |
Разгрузка втягивания Частота (PPS) |
| 5 | 18 | ≥ 98 | ≥ 29.4 | ≥ 500 |
| 12 | 60 | ≥117 | ≥ 29.4 | ≥ 500 |
| 12 | 70 | ≥ 68.7 | ≥ 29.4 | ≥ 500 |
| 12 | 200 | ≥ 68.7 | ≥ 29.4 | ≥ 500 |
| 12 | 300 | ≥ 58.8 | ≥ 29.4 | ≥ 500 |
Рисунок конструкции ((Единицы: мм)

Дисплей продукции:

Технические характеристики
Особенности применения
Включение клапана HVAC/RВозможности обмотки Биполярный
Принтеры, копировальные машины, хранилища данныхБез обслуживания - двигатель без щетки
Медицинское применение Анализаторы для отпуска таблетокЭффективность - компактный дизайн, более низкие затраты на интеграцию
Прочие отрасли и применения РоботикаЦифровое управление - легко использовать микропроцессор
Телекоммуникации Позиционирование антенн Коммутационные линии Управление открытой цепью - Нет необходимости в кодерах
Тип соединения
Способ ввода двигателя с видом булавки, FPC, PCB, свинцовой проволокой и т.д.
Они могут быть настроены в соответствии с потребностями клиента.

Выпуск вала стандартный, как ниже, также может быть настроен из-за пользовательских чертежей
Добро пожаловать в службу поддержки клиентов для большего количества типов

Круглый тип: DIA3 мм. 4 мм. 5 мм.
Тип резки D: DIA3-D2.5 DIA4-D3 и т.д.
Тип винта: M3 M4 M5 серийный
Тип ловушки
I-резка Тип: DIA3-I2 DIA4-I3
Прочий тип: вал с отверстием и т.д.
На рисунке показаны обычные модели, а специальные размеры можно настроить.
