Микро- диаметр VSM0652 6mm 18 градусов шагает мотор угла M1.7*P0.3 линейный stepper
Этот stepper мотор VSM0652 линейный мотор со слайдером, конструированным для микро- электронных продуктов.
Винт руководства M1.7*P0.3, тангаж 0.3mm, и тяга слайдера около 30~35 граммов.
Должный к ограничению небольшого размера (6mm), этот мотор не может обеспечить очень большую тягу.
Этот мотор только соответствующий для небольшой нагрузки как объектив фотоаппарата.
Кабель length+connector PCB+ ориентирован на заказчика.
Клиенты могут выбрать различный тип соединителя основанный на их потребности.
Как тангаж 1mm/1.25mm/1.5mm/2mm/2.5mm соединители все доступны.
Параметры:
| Модель нет. | VSM0652 |
| Тип мотора | Двухполярный мотор постоянного магнита stepper |
| Расклассифицированное напряжение тока | DC 3~5 V |
| Сопротивление катушки | 40Ω/phase |
| Участок нет. | 2 участка |
| Тип винта руководства | M1.7*P0.3 |
| Угол шага | 18°/step |
| Длина шага | 0.015/step |
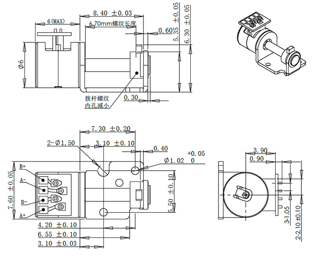
Чертеж дизайна:

Дисплей продукта:

О линейном stepper моторе со слайдером:
Наш мотор слайдера полный набор собрания включая мотор + винт + кронштейн + слайдер руководства.
Угол шага мотора вообще 18°/step, которое значит 20 шагов для каждого поворота.
Когда мотор поворачивает один поворот, слайдер двигает одно руководство.
Для одиночных винтов руководства начала: =lead тангажа.
Так длина шага (перемещения слайдера движения середин длины шага линейные, когда stepper мотор предпримет точно один):
Руководство винта руководства/шаги каждого вращения
Например если винт руководства M2*0.4P (винт руководства M2 тангажа 0.4mm регулярный), то угол шага мотора 18°, длина шага этого мотора 0.4mm/20=0.02mm/step.
Также, приведите длину винта ориентированный на заказчика, и нам также нужно отрегулировать дизайн кронштейна, если вы подгоняете длину винта руководства.
Применение stepper моторов:
Stepper моторы использованы для точного контроля, широко использованный на медицинском оборудовании, принтере 3D, промышленном точном контроле, оборудовании автоматизации, etc.
Stepper моторы можно использовать в любых conrtol требованию к механизмов точном и вращательном/линейном движении.
Преимущество stepper моторов:
Stepper мотор может достигнуть точный контроль даже без кодировщиков конц-петли/без системы питания назад, также почищенные щеткой они не имеет электрическое. Таким образом никакие электромагнитного вопросы взаимодействия и электрических искр. В некоторых случаях, они могут заменить DC почистили моторы щеткой моторов безщеточные.
Stepper моторы легки для того чтобы контролировать с водителями, и этой особенностью установить свое важное положение в поле точного контроля.
1. Точный контроль достижимый, programmable
2. Без электромагнитного взаимодействия & электрических искр
3. Небольшой размер
4. Умеренная цена
5. Малошумный
6. Длинный срок службы

Упаковывая и грузя информация:
Образцы упакованы с губкой пены внутри бумажной коробки.
Для массового производства, продукты упакованы в коробке бумаги.
Для доставки моря (массового производства), коробки упакованы на паллете.
Грузя время:
срочным (UPS/Federal Express TNT DHL): 5~12 дня
4PX срочным: 10~20 дней
Доставка моря: 40~60 дней (зависит от различных стран)